EasyManua.ls Logo

mycom 280J - Page 125

Default Icon
209 pages
Print Icon
To Next Page IconTo Next Page
To Next Page IconTo Next Page
To Previous Page IconTo Previous Page
To Previous Page IconTo Previous Page
Loading...
2205B0JE-DA-J-N_2014.05.
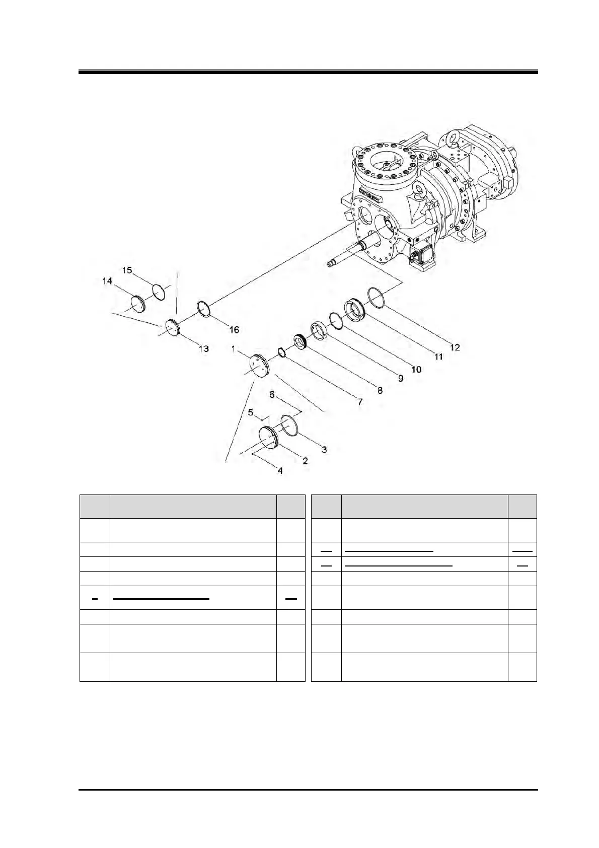
5 Maintenance and Inspection
Screw Compressor J-series 5.4 Disassembly and Assembly of the Compressor
5-51
220J/280J
Order Description
Part
No.
Order Description
Part
No.
1
Inner cover M assembly, balance
piston cover
9 Sleeve, balance piston 33
2 Inner cover M, balance piston cover 734-1 10 O-ring (P120/G150) 35-1
3 O-ring (G150/G190) 23-1 11 Housing, balance piston 36
4 Spring pin (6 dia.×12) 34 12 O-ring (G150/G190) 35-2
5 Spring pin (6 dia.×12) 34 13
Inner cover F assembly, balance
piston cover
6 Spring pin (6 dia.×12) 34 14 Inner cover F, balance piston cover 734-2
7
Retaining ring C type external
(S65/S80)
32 15 O-ring (G115/G150) 23-2
8 Balance piston 30 16
Retaining ring C type internal
(H120/None)
37
1. Remove the parts in the order of the numbers shown in the figure.
2. Install the parts in the reverse order of removing.

Table of Contents

Related product manuals