EasyManua.ls Logo

NAD C 422 - BLOCK DIAGRAM

NAD C 422
28 pages
Print Icon
To Next Page IconTo Next Page
To Next Page IconTo Next Page
To Previous Page IconTo Previous Page
To Previous Page IconTo Previous Page
Loading...
- 6 -
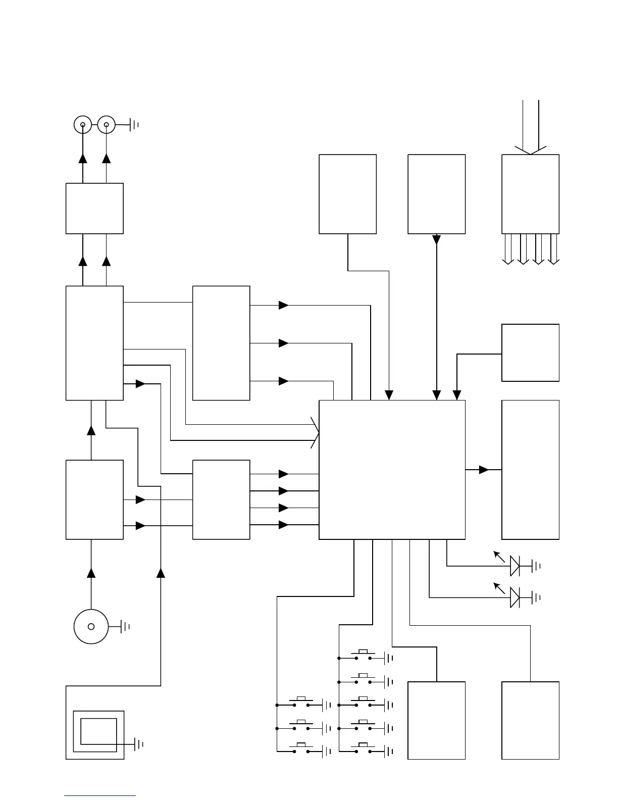
B L OC K DIAG R AM
AM LOOP ANT F M ANT OUTP UT
F R ONT E ND
E NV172D3G 1
VFD
C P U
LC 866448B
U201
K E Y MATR IX
Trigger IN
U202
E E P R OM
24C 08
P LL
LC 72723M
R DS DE C ODE R
U901
AM/F M IF
LA1837
MUTING
DIODE
MATR IX
12V TR IG G E R
IN
IR IN
M218
R E MOT E
S E NS OR
P OW E R
S UP P LY
VFD
-VP
+5V C P U
+10V
AC INP UT
L
R
VT
VT
ce data clk R DS -C LK R DS -S IG R DS -DATA
MP X IN
data
out
(#1)=P ower On
(#2)=P rotect (F lash 2Hz)
(#1)+(#2)=S tandby
(#1)
(#2)
LC 7218
U903
S T/MO, MUT E , S ME TE R
TUNE
F M
OS C /IF
AM
OS C /IF
1
27
17
16
23
2
30
U902
21
2345 15
23
19
58
6 -IR IN
22- 12V TR IG G E R IN
24
16 14
79
16
14
22
78
71
72
5
75 76 74
19 18

Related product manuals