EasyManua.ls Logo

Nautel NV5 - Page 196

Default Icon
228 pages
Print Icon
To Next Page IconTo Next Page
To Next Page IconTo Next Page
To Previous Page IconTo Previous Page
To Previous Page IconTo Previous Page
Loading...
Issue 3.2 2014-12-10 SD-20
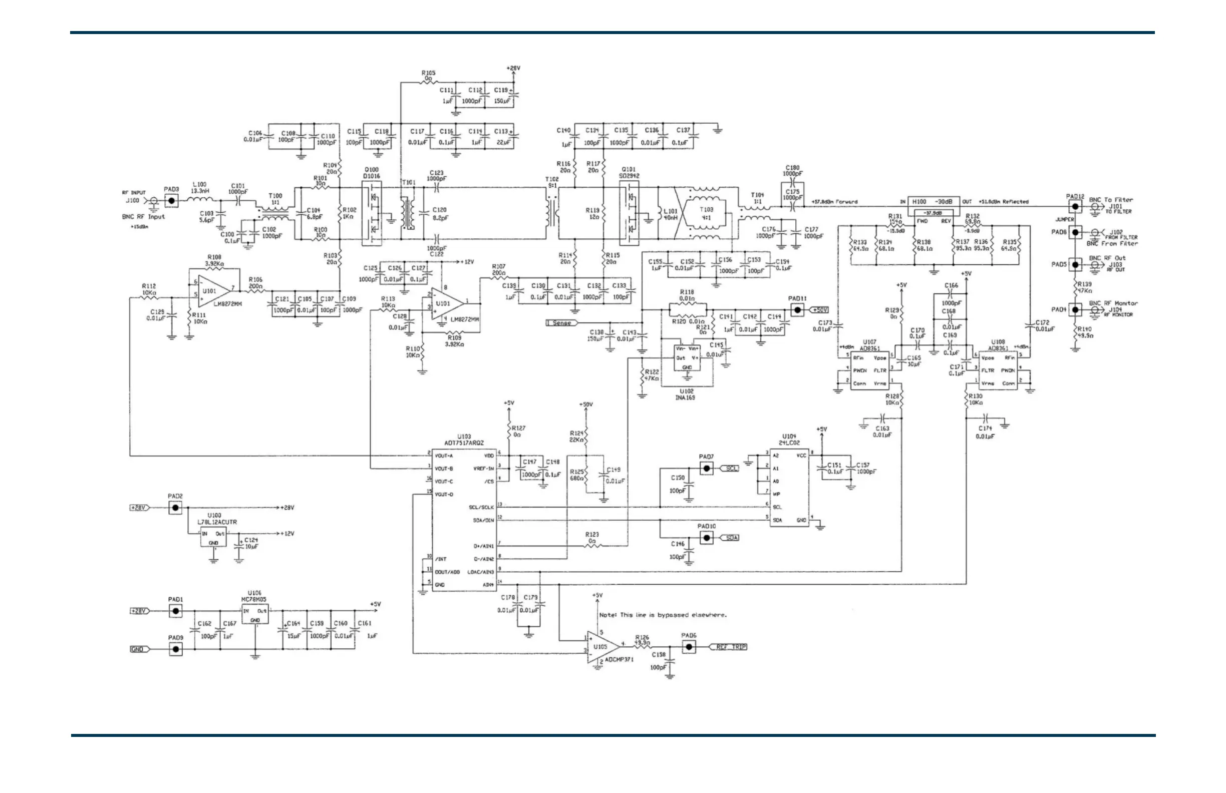
Figure SD-20: Power Amplifier Pallet (CD2011B)

Related product manuals