EasyManua.ls Logo

NEC NP901W - Connecting Your HDMI Compatible Equipment

NEC NP901W
166 pages
Print Icon
To Next Page IconTo Next Page
To Next Page IconTo Next Page
To Previous Page IconTo Previous Page
To Previous Page IconTo Previous Page
Loading...
15
AUDIO IN
L R
AUDIO OUT
L R
VIDEO OUT
HDMI OUT
S-VIDEO VIDEO
WIRE LESS
WIRE LESS
USB
(
LAN
)
VIDEO IN
AUDIO IN
USB
LAN
AUDIO IN
HDMI IN
AUDIO IN
COMPUTER /
COMPONENT 2 IN
COMPUTER /
COMPONENT 1 IN
PC CONTROL
MONITOR OUT
AUDIO OUT
S-VIDEO IN
AUDIO IN
L/MONO
L/MONO
R
R
HDMI Output
HDM I
HDM I
HDMI IN
2. Installation and Connections
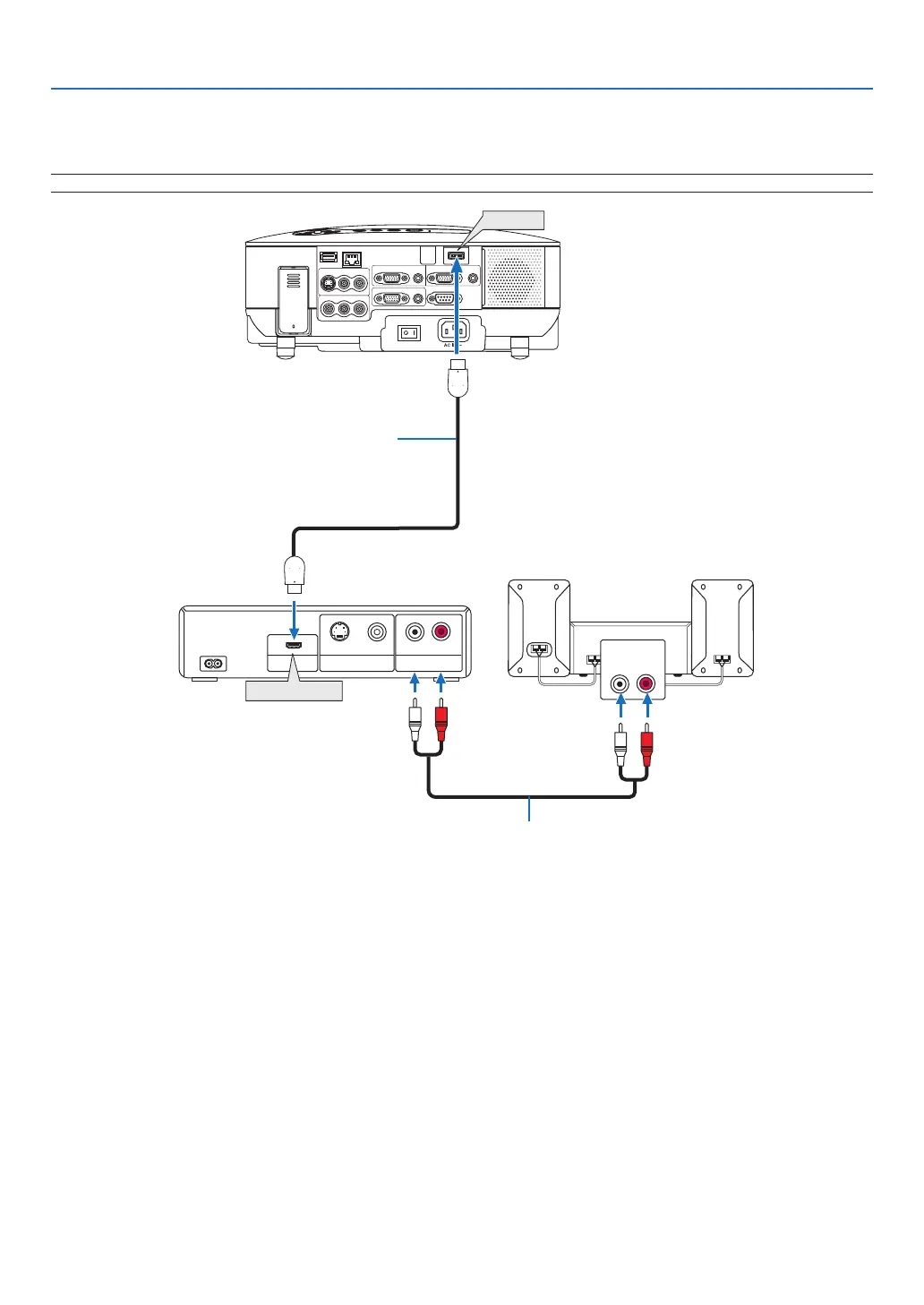
Connecting Your HDMI Compatible Equipment
You can connect the HDMI output of your DVD player, hard disk player, or notebook type PC to the HDMI IN con-
nector of your projector.
NOTE: The HDMI IN connector supports Plug & Play (DDC2B).
Audio cable (not supplied)
HDMI cable (not supplied)
Use High Speed HDMI™
Cable.
TIP: For users of audio video equipment with an HDMI connector:
Select “Enhanced” rather than “Normal” if HDMI output is switchable between “Enhanced” and “Normal”.
This will provide improved image contrast and more detailed dark areas.
For more information on settings, refer to the instruction manual of the audio video equipment to be connected.
When connecting the HDMI IN connector of the projector to the DVD player, the projector’s video level can be
made settings in accordance with the DVD player’s video level. In the menu select [HDMI SETTINGS]
[VIDEO
LEVEL] and make necessary settings.
Acceptable signals are 480p, 576p, 720p, 1080i, and 1080p.
The HDMI IN connector supports Deep Color (480p, 576p, 720p, 1080i).
The supported audio format is Linear PCM (32/44.1/48 kHz and 16/20/24 bit).
If the HDMI input sound cannot be heard, in the menu select [HDMI SETTINGS]
[AUDIO SELECT]
[HDMI].
What is HDCP/HDCP technology?
HDCP is an acronym for High-bandwidth Digital Content Protection. High bandwidth Digital Content Protection
(HDCP) is a system for preventing illegal copying of video data sent over a Digital Visual Interface (DVI).
If you are unable to view material via the HDMI input, this does not necessarily mean the projector is not function-
ing properly. With the implementation of HDCP, there may be cases in which certain content is protected with HDCP
and might not be displayed due to the decision/intention of the HDCP community (Digital Content Protection, LLC).

Table of Contents

Other manuals for NEC NP901W

Related product manuals