EasyManua.ls Logo

Necta Colibri - Programming Menu

Necta Colibri
48 pages
Print Icon
To Next Page IconTo Next Page
To Next Page IconTo Next Page
To Previous Page IconTo Previous Page
To Previous Page IconTo Previous Page
Loading...
© by NECTA VENDING SOLUTIONS SpA
31
0012 Colibrì
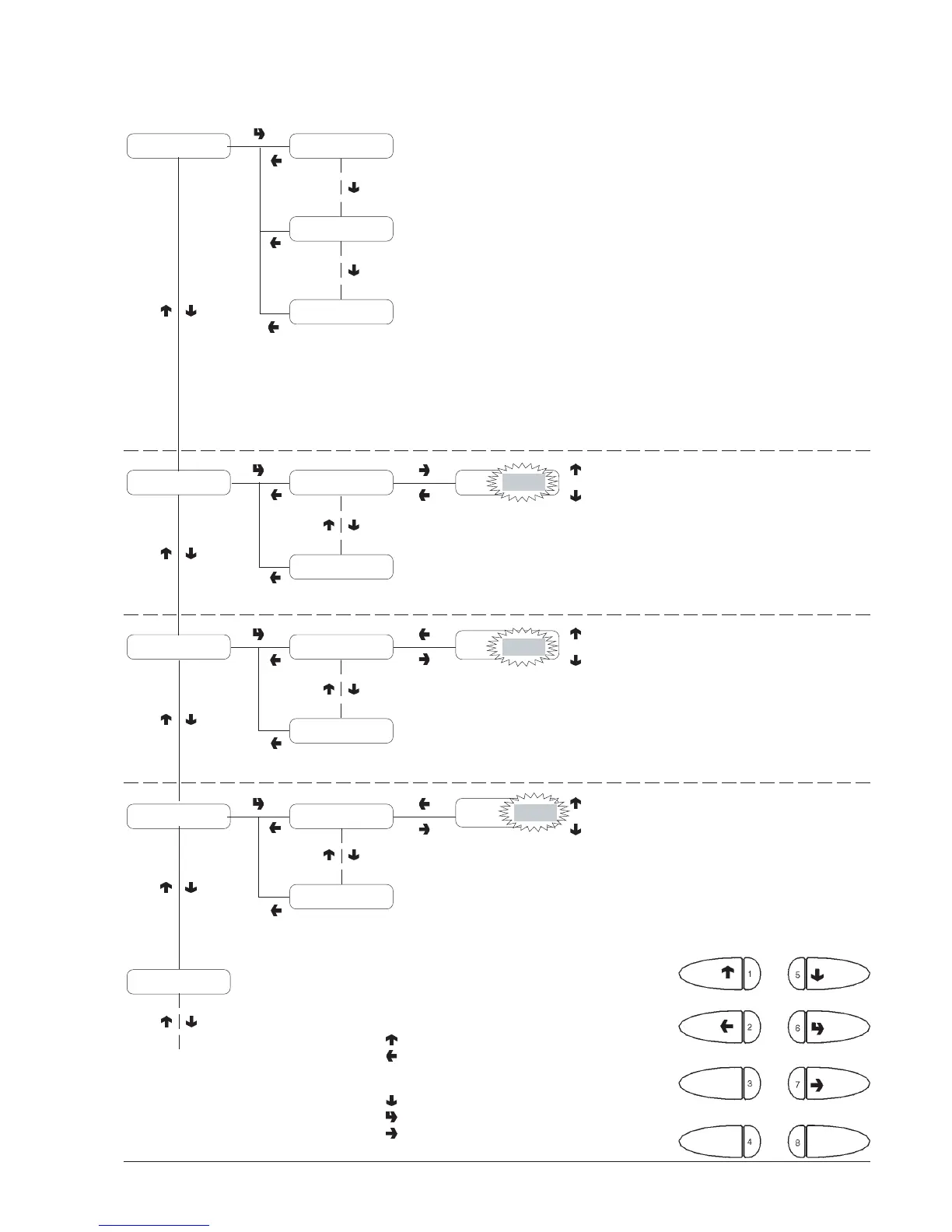
DISPLAY PRESENT
FAILURES
WATER DOSES
Refer to the selection dose
table for the correspondence
between dose code and
water dose
PRICE VALUE
Failure list Air-Break failure
Boiler failure
xxxxxxxx
LIST OF FAILURES
N. 1 - Air-break
N. 2 - Boiler
N. 3 - Coin mechanism
N. 4 - RAM data
N. 5 - Water failure
N. 6 - Cup failure
N. 7 - Water leak
N. 8 - Volumetric counter
N. 9 - Coffee unit
N. 10 - Coffee failure
N. 11 - Coffee release
N. 12 - Cup release
N. 13 - Liquid waste full
N. 14 - Changer
N. 15 - Bill validator
N. 16 - Cashless
Z1 XXXX
I3
Water doses
Price N.1XXXX
Price N. 8
Set Prices
Set Prices/Buttons
POWDER DOSES
Refer to the selection dose
table for the correspondence
between dose code and
powder dose
Z1 XXXX
I3
Powder doses
Programming menu
Z1
XXXX
Z1
XXXX
XXXX + 1
XXXX - 1
XXXX + 1
XXXX - 1
XXXX + 1
XXXX - 1
1 - Previous function / Increase data item (+1)
2 - Exit function / Cancel change
3 - Machine installation
4 -
5 - Next function / Decrease data item (- 1)
6 - Confirm function / confirm data
7 - Change data item
8 - Reset failures
Price N.1
XXXX

Table of Contents

Other manuals for Necta Colibri

Related product manuals