EasyManua.ls Logo

Nelson NCD+ 3200 - Page 28

Nelson NCD+ 3200
32 pages
Print Icon
To Next Page IconTo Next Page
To Next Page IconTo Next Page
To Previous Page IconTo Previous Page
To Previous Page IconTo Previous Page
Loading...
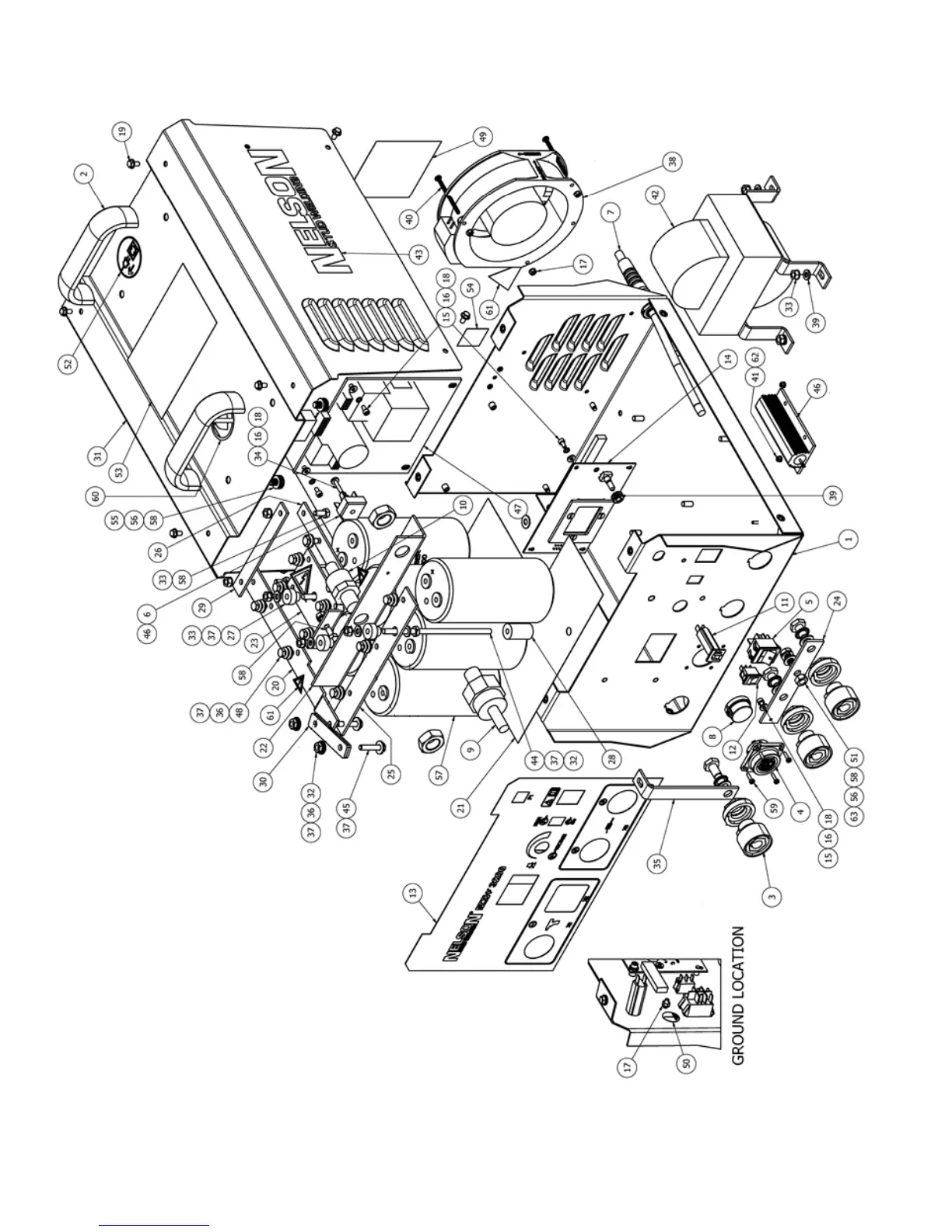
NCD+ 3200 Manual | NCD+ 3200 Parts List & Exploded View
Part No. 729-110-037 Rev. 1.31 | May 2016 © 2014 Nelson Stud Welding, Inc. All Rights Reserved.

Related product manuals