EasyManua.ls Logo

Nemaxx BT55 - Schaltplan

Nemaxx BT55
47 pages
Print Icon
To Next Page IconTo Next Page
To Next Page IconTo Next Page
To Previous Page IconTo Previous Page
To Previous Page IconTo Previous Page
Loading...
18
Version: 3.0
19.07.2017
KEN001BT55
DE
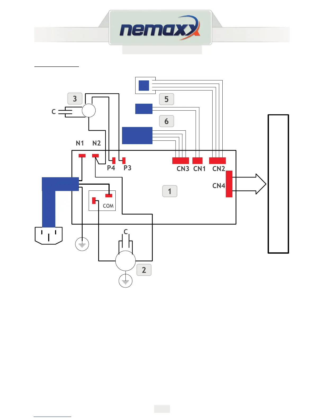
SCHALTPLAN
1. Hauptplatine
2. Kompressor
3. Gebläsemotor
4. Luftfeuchtigkeitssensor
5. Temperatursensor
6. Lichtschranke
zur Anzeigeplatine

Table of Contents

Related product manuals