EasyManua.ls Logo

Nemaxx BT55 - Esquema

Nemaxx BT55
47 pages
Print Icon
To Next Page IconTo Next Page
To Next Page IconTo Next Page
To Previous Page IconTo Previous Page
To Previous Page IconTo Previous Page
Loading...
45
Version: 3.0
19.07.2017
KEN001BT55
ES
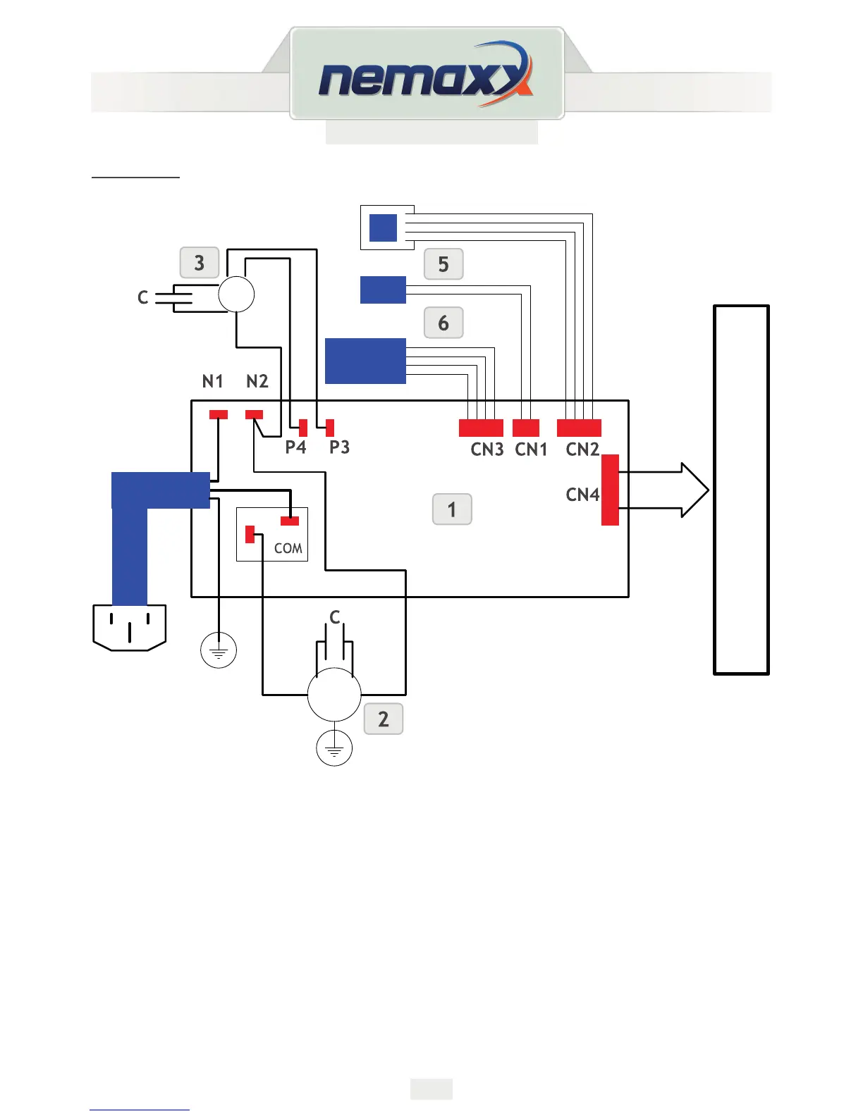
ESQUEMA
1. Placa base
2. Compresor
3. Motor del ventilador
4. Sensor de humedad
5. Sensor de temperatura
6. Célula fotoeléctrica
a la placa de la pantalla

Table of Contents

Related product manuals