EasyManua.ls Logo

Nemaxx BT55 - Esquema

Nemaxx BT55
47 pages
Print Icon
To Next Page IconTo Next Page
To Next Page IconTo Next Page
To Previous Page IconTo Previous Page
To Previous Page IconTo Previous Page
Loading...
36
Version: 3.0
19.07.2017
KEN001BT55
IT
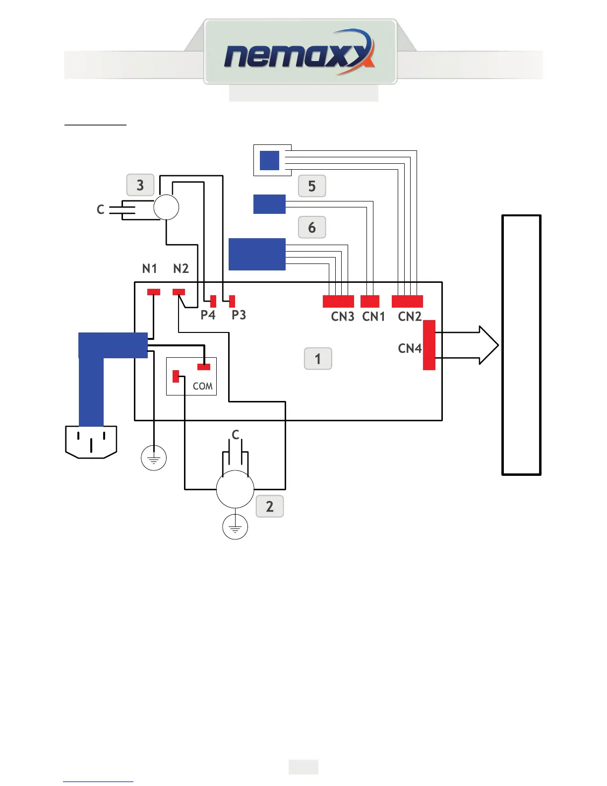
ESQUEMA
1. Scheda madre
2. Compressore
3. Motore del ventilatore
4. Sensore d’umidità
5. Sensore della temperatura
6. Fotocellula
alla scheda del display

Table of Contents

Related product manuals