EasyManua.ls Logo

Nemaxx BT55 - Circuit Diagram

Nemaxx BT55
47 pages
Print Icon
To Next Page IconTo Next Page
To Next Page IconTo Next Page
To Previous Page IconTo Previous Page
To Previous Page IconTo Previous Page
Loading...
9
Version: 3.0
19.07.2017
KEN001BT55
EN
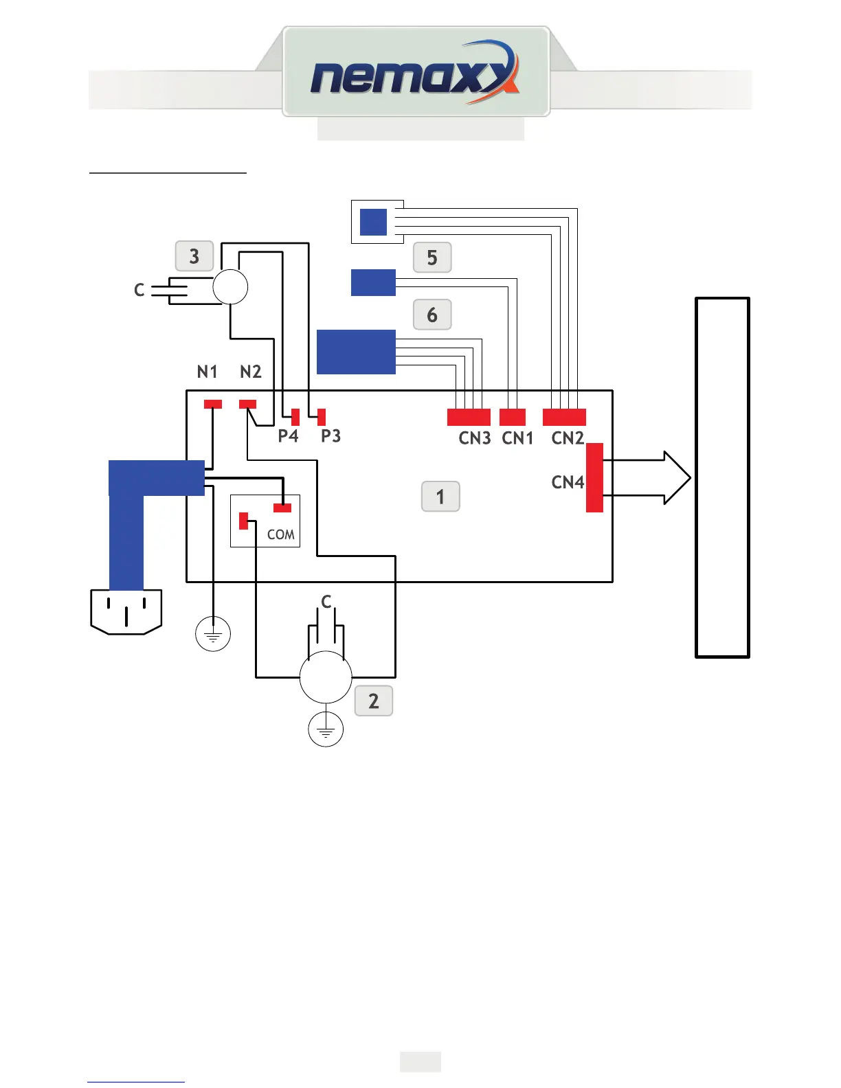
CIRCUIT DIAGRAM
1. Mainboard
2. Compressor
3. Fan motor
4. Humidity sensor
5. Temperature sensor
6. Photoelectric switch
to display board

Table of Contents

Related product manuals