EasyManua.ls Logo

Newmac CL 86-96C - Page 24

Newmac CL 86-96C
41 pages
Print Icon
To Next Page IconTo Next Page
To Next Page IconTo Next Page
To Previous Page IconTo Previous Page
To Previous Page IconTo Previous Page
Loading...
23
STARTING GAS BURNER
1. Be sure cock on combination valve is in "OFF" position for 5 minutes.
2. Open gas cock on combination valve to "ON" position.
3. Turn to electric switch.
4. Set room thermostat above room temperature.
5. Burner will light.
6. Set room thermostat to temperature desired.
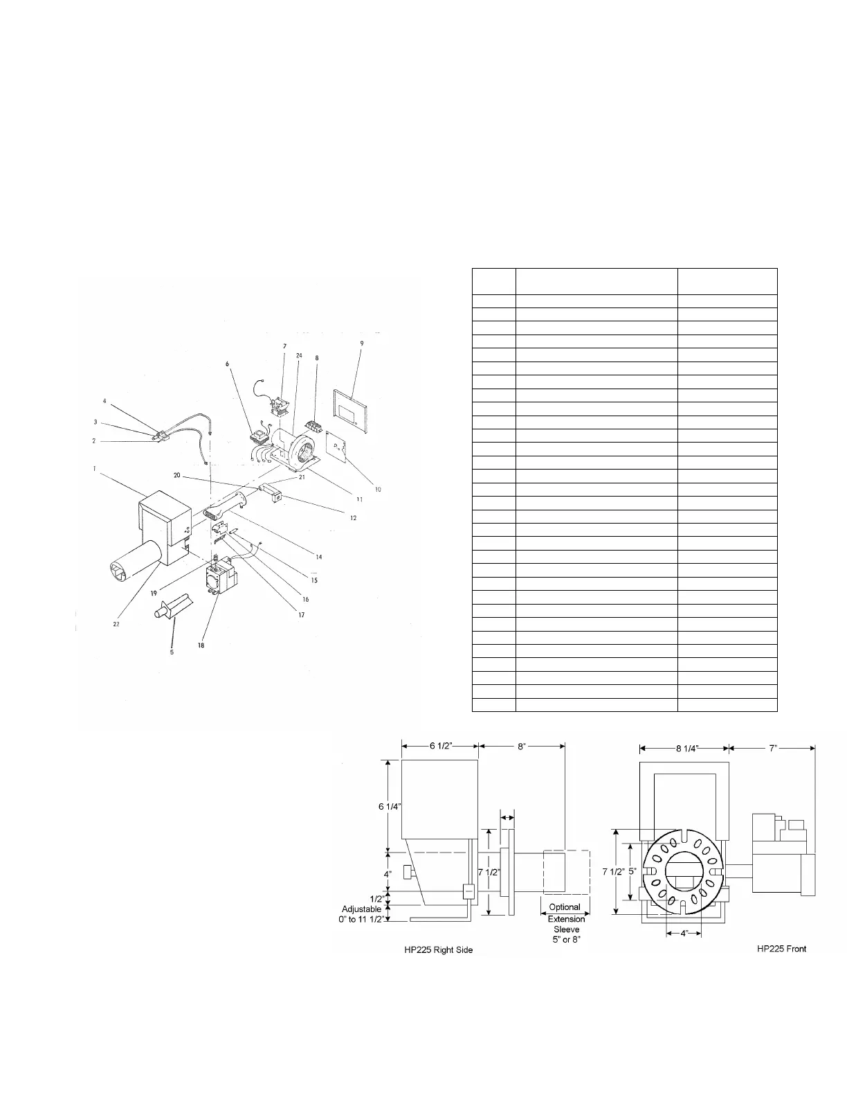
FIG. 16-1C ADAMS GAS BURNER EXPLODED ASSLY- FIG. 16-1D ADAMS GAS BURNER PARTS LIST
HP225 BPS HP225 BPS
Ref.
DESCRIPTION
HP-225 BPS
1
Top Housing
7582-GN
2
Thermocouple
----------
2
Sensor Probe
12003
3
Pilot Burner
J 124 DDA
4
Pilot Orifice (Nat.)
5221 (.021)
4
Pilot Orifice (Prop.)
3215 (.015)
5
Ignition System
EPI-100 or EPI
6
Transformer (20 V.A.)
AT 20 A
7
Relay
R 8222 A 1002
8
Terminal Block
7586-3
9
Air Door
7582 A
10
Bottom Access Door
7587 B
11
Slide Tray Assembly
7586 D
12
Manifold
7015 D-6
13
Pedestal (Not Shown)
7584
14
Burner Casting
7583-1
15
Insulating Boot
846
16
Pilot Shield
12005
17
Electrode (3 inch)
7583-5A
18
Combination Valve (Nat.)
SX 242 NS
18
Combination Valve (Prop.)
SX 242 LS
19
Pipe Nipple
50001-6-3 ½
20
Main Orifice (Specify Size)
172
21
Adjustable Orifice Assembly
6481
22
Bottom Housing Assembly
7581 B
23
Mounting Flange (Optional)
7585
24
Motor/Blower Assembly
7586-2A
25
APR Module (Optional)
----------
26
Extension Sleeve (Not Shown)
7581-1A-BL
27
Ignition Wire (30 inch)
7803
28
Sensor Wire (30 inch)
7852-2

Related product manuals