EasyManua.ls Logo

Nice HySecurity CBOX1050 - Function Button > Positions; Position Settings for Deceleration; Function Button > Auxiliary IO; Auxiliary Input and Output Configuration

Default Icon
65 pages
Print Icon
To Next Page IconTo Next Page
To Next Page IconTo Next Page
To Previous Page IconTo Previous Page
To Previous Page IconTo Previous Page
Loading...
CBOX1050
INSTALLATION AND PROGRAMMING MANUAL
38
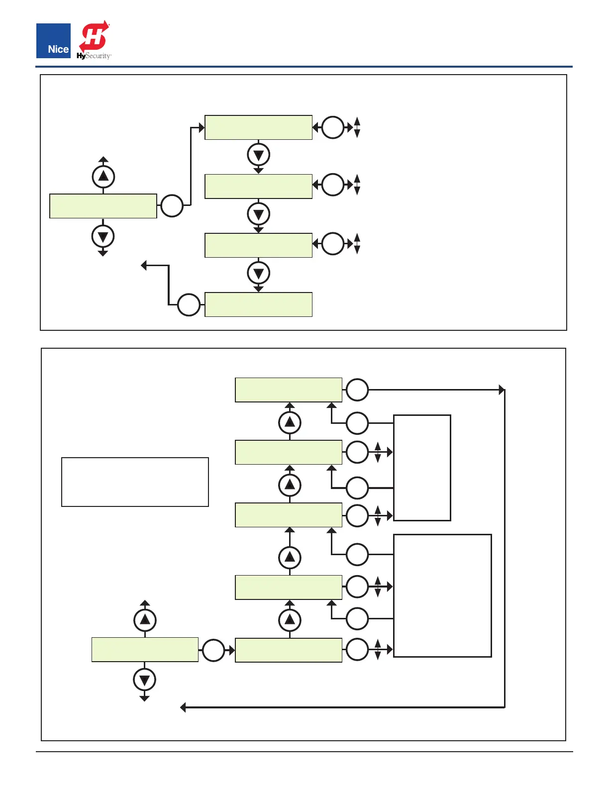
FUNCTIONS>POSITIONS MENU:
Sets points in the gate open, close, and
partial cycles at which deceleration
occurs.
SLOW DOWN - OPEN: Sets the
point in the % of gate opening when
the gate begins deceleration to the
fully open position.
SLOW DOWN - CLOSE: Sets the
% of gate opening when the gate
begins deceleration to the fully
close position.
POSITIONS - PARTIAL: Sets the
point in the % of gate opening
where the gate will stop when given
a PARTIAL command.
FUNCTION BUTTON > Positions
FUNCTION BUTTON > Auxiliary IO
FUNCTION
2. Posions
SlowDown
Close 10%
Posions
Paral 50%
ESC
SlowDown
Open 100%
3. Auxiliary IO
(see next page)
1. Learn
(see previous page)
OK
OK
100%
0
OK
100%
0
OK
100%
0
OK
FUNCTION
3. Auxilliary IO
In AUX 1
Step
In AUX 2
Step
OUT AUX 1
No Program
OUT AUX 2
No Program
ESC
No Program
Open
Close
Moving
Timer 1
Timer 2
Lock
Maint.
Lamp
Pulse Close
Pulse Open
Open 1
Cls&Unlock
Opn&Unlock
Close&Lock
Open&Lock
Unlock
Lock
Shadow
Photo 2
Photo 1
Photo
Timer 2
mer 1
Fire
Hold to Close
Hold to Open
Stop
Paral 1
Paral
Step
Close
Open
No Program
4. Radio Ch
(see next page)
2. Posions
(see above)
OK
OK
OK
OK
OK
OK
OK
OK
OK
OK
NOTES:
See parameter descripons on
next page.
www.ApolloGateOpeners.com | (800) 878-7829 | Sales@ApolloGateOpeners.com

Table of Contents