EasyManua.ls Logo

Nice MBar Series - Page 45

Default Icon
48 pages
Print Icon
To Next Page IconTo Next Page
To Next Page IconTo Next Page
To Previous Page IconTo Previous Page
To Previous Page IconTo Previous Page
Loading...
XVII
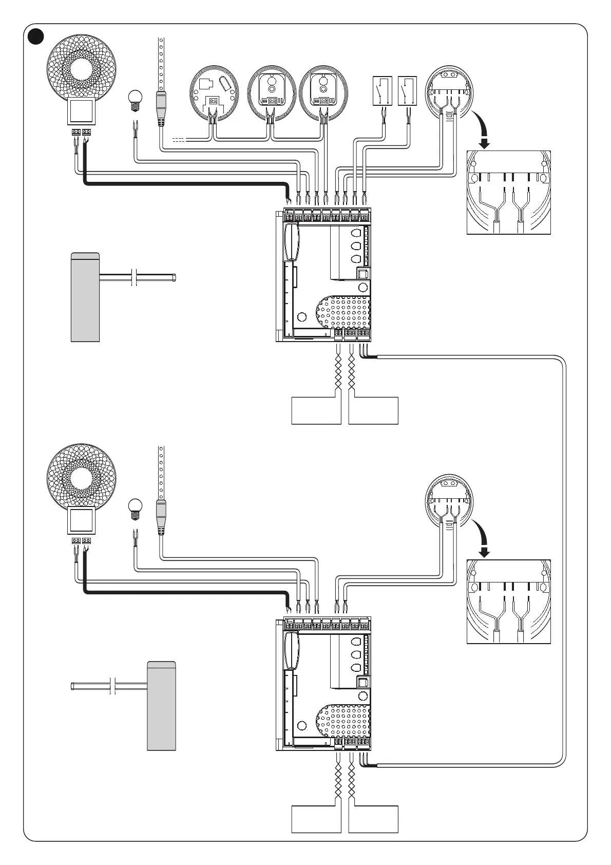
LIGHTFLASHSCA
MOTB
OPEN CLOSE
TX RX
BLUEBUS STOP OPEN CLOSEP. P.
24V 4W
BUS T4 M/S
LOOP2LOOP1
LIGHTFLASHSCA BLUEBUS STOP OPEN CLOSEP. P.
24V 4W
BUS T4 M/S
LOOP2LOOP1
NC
NCNO NOCC
NC
NCNO NOCC
54
MASTER
SLAVE

Table of Contents

Related product manuals