EasyManua.ls Logo

Nidec Commander C200 - Page 9

Nidec Commander C200
17 pages
Print Icon
To Next Page IconTo Next Page
To Next Page IconTo Next Page
To Previous Page IconTo Previous Page
To Previous Page IconTo Previous Page
Loading...
Commander C200/C300 Step By Step Guide 9
Issue Number: 2
English
Français Deutsch Italiano Español
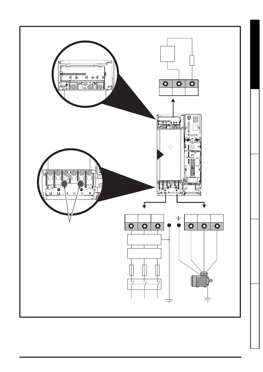
Figure 6-2 Size 6 power and ground connections
On a size 6, the supply and motor ground connections are made using the M6 studs located above
the supply and motor terminals. Refer to Figure 6-2.
L1 L2
L2L1 L3 U V W
Optional EMC
filter
Optional
line reactor
Fuses
L3
Mains
Supply
Motor
Optional ground
connection
Supply
Ground
PE
AC Connections
BR
Optional
braking
resistor
Thermal
overload
protection
device
DC - DC +
DC Connections
(DC and braking)
Motor Connections
6
Ground connection
studs