EasyManua.ls Logo

NMC-WOLLARD TMPS-200 - Outside Controls, Optional

NMC-WOLLARD TMPS-200
248 pages
Print Icon
To Next Page IconTo Next Page
To Next Page IconTo Next Page
To Previous Page IconTo Previous Page
To Previous Page IconTo Previous Page
Loading...
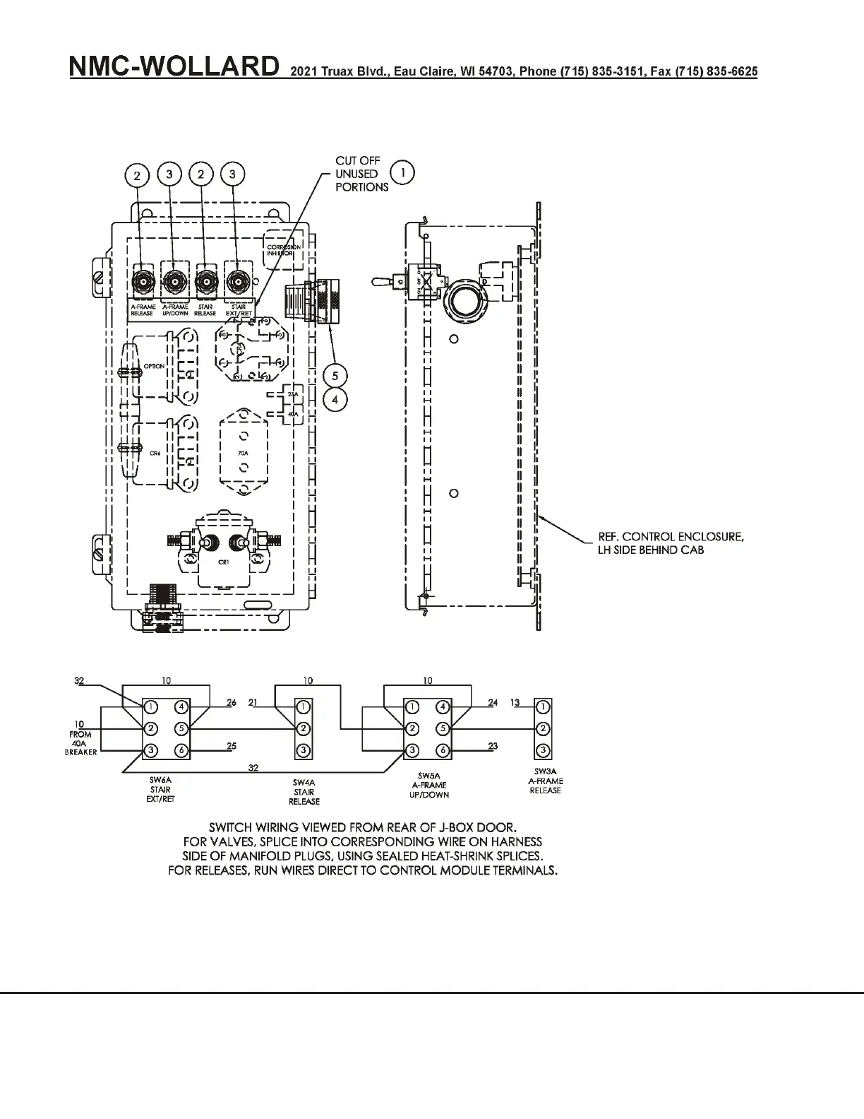
MARCH 31, 2008 CHAPTER 4 REPAIR PARTS
PAGE 112 4 ILLUSTRATED PARTS LIST
FIGURE 44.
OUTSIDE CONTROLS, OPTIONAL

Table of Contents