EasyManua.ls Logo

NMC-WOLLARD TMPS-200 - Shut Down, Low Oil, Gas;Dsl, Option (SN 1381+)

NMC-WOLLARD TMPS-200
248 pages
Print Icon
To Next Page IconTo Next Page
To Next Page IconTo Next Page
To Previous Page IconTo Previous Page
To Previous Page IconTo Previous Page
Loading...
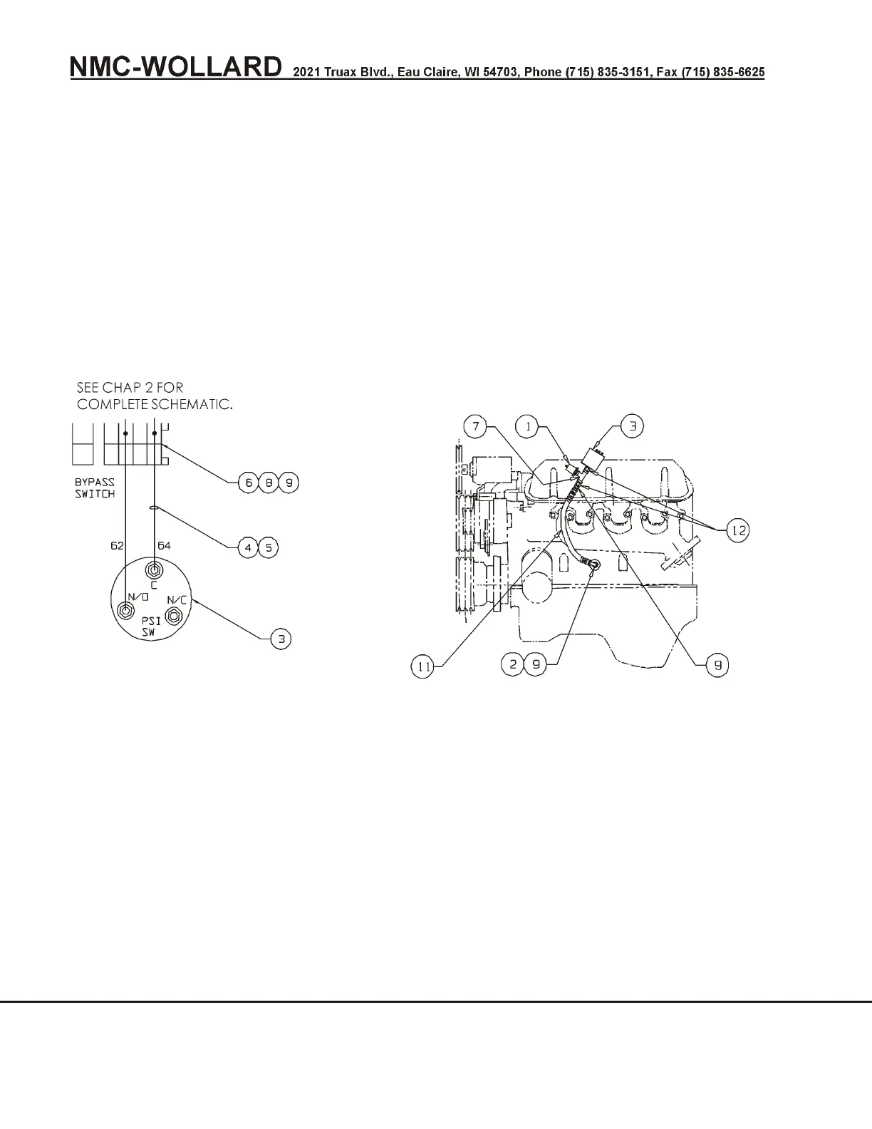
MARCH 31, 2008 CHAPTER 4 REPAIR PARTS
PAGE 92 4 ILLUSTRATED PARTS LIST
Truck Mounted Passenger Stair TMPS-200 Manual No. 307559
FIGURE 36.
SHUT DOWN, LOW OIL, GAS/DSL, OPTION (SN 1381+)

Table of Contents