Home
NMC-WOLLARD
Stairlifts
TMPS-200
Page 77
NMC-WOLLARD TMPS-200 - Page 77
248 pages
Manual
Save Page as PDF
To Next Page
To Next Page
To Previous Page
To Previous Page
Loading...
CHAPTER 2 MAINTENANCE
SEPTEMBER 30, 2008
2
TROUBLE SHOOTIN
G
PAGE
9
Truck Mounted Passenger Stair
TMPS-200
Manual No. 307559
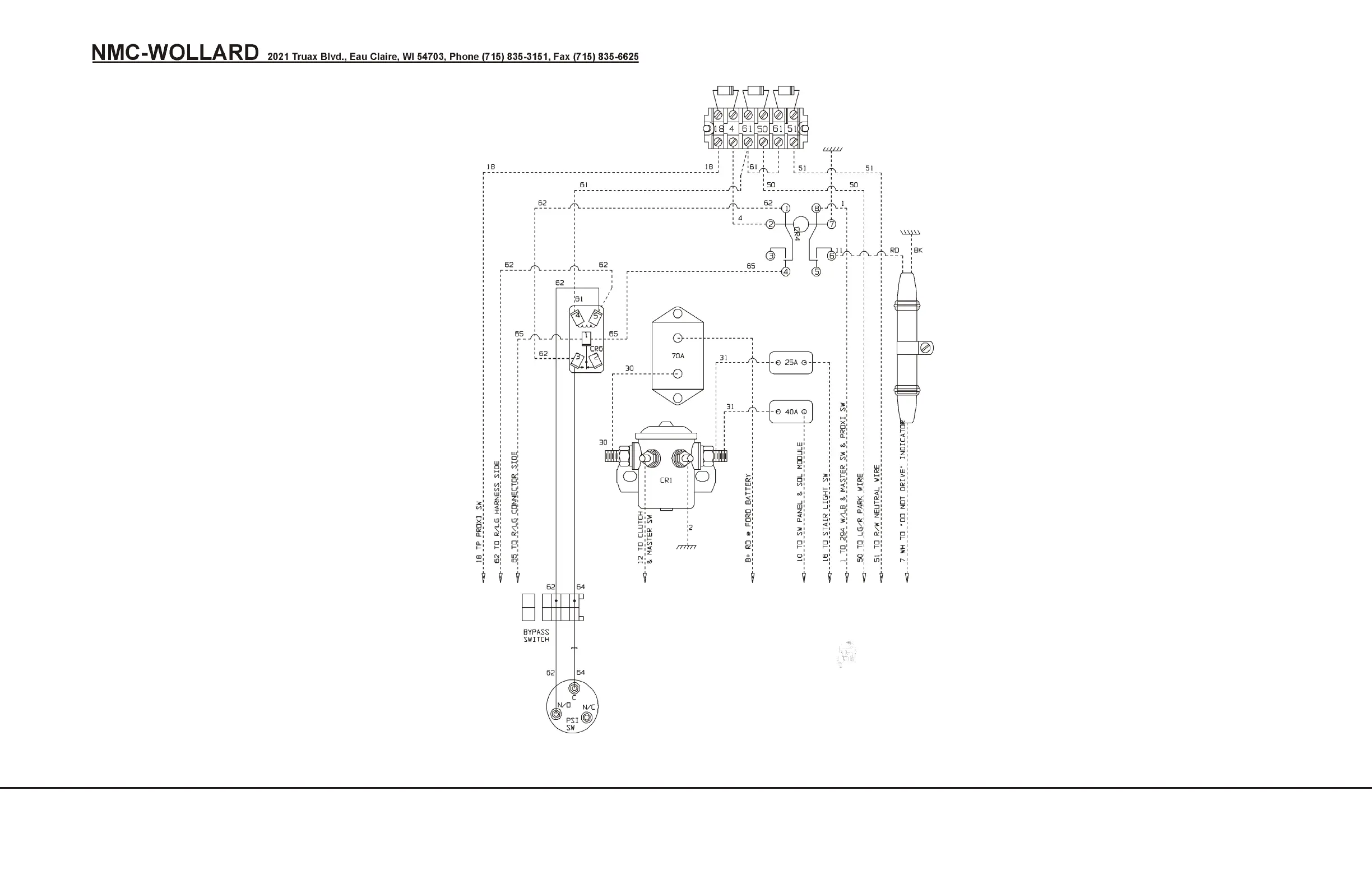
FIGURE
6
.
SHUT DOWN
, LOW OIL, TMPS2
00, GAS/DS
L, OPTION, WIRING DIA
GRAM
307619
76
78
Table of Contents
Main Page
Default Chapter
7
Table of Contents
7
Revision Record
16
Revision Highlights
17
Page Effectivity
21
Configuration
24
Effectivity Code
26
Chapter 1 General Information & Operation Instructions
29
Description
29
Product Safety
29
Safety Decals
30
1Safety Sign Care
30
Safety Sign Care
30
2How to Install Safety Signs
30
How to Install Safety Signs
30
General Safety Precaution
31
Equipment Description
34
Intended Usage
34
Description of the Passenger Stair
34
Reserved for Future Use
34
4Hydraulic Hand Pump
34
Hydraulic Hand Pump
34
Truck Section
34
Lighting
34
Stabilizers
35
Main Support Frame
35
Forward Support Frame (A-Frame)
35
Stair Section
35
Main Section (Stationary Unit)
36
Adjustable Section (Telescoping Unit)
36
Hydraulic Reservoir
37
Side Panels
37
Canopy
37
Other Features
37
Operation
38
Pre-Operation
38
Daily Inspection
41
1Hydraulic System
41
Hydraulic System
41
2Stair Unit
41
Stair Unit
41
3General Chassis Check
42
General Chassis Check
42
4Electrical System
42
Electrical System
42
5Operational Check
42
Operational Check
42
Driving the Unit
43
1Interlocks
43
Interlocks
43
Servicing Aircraft
43
Driving Away from Aircraft
46
Emer Gency Pro Ce Dures
47
1Using the Op Tional Hand Pump
47
Using the Optional Hand Pump
47
Servicing Loading Facilities Other than Aircraft
49
Specifications and Capabilities
51
Aircraft Servicing Capability - 2005 & Later
51
Stair Capacity
51
Height Range
51
Dimensions
51
Shipping Dimensions
51
Operator Controls
51
Vehicle (Standard)
51
Truck Chassis
52
Brakes
52
Cab
52
Electrical
52
Shock Absorbers
52
Steering
52
Transmission
52
Hydraulic System
52
Options and Accessories
52
Commissioning and Decommissioning for Operation and Shipping
55
Commissioning/Decommissioning for Airport, Cross County or Shipping
55
Truck Chassis
55
1Front Spring Lockouts
55
Front Spring Lockouts
55
2Rear Spring U-Bolts
56
Rear Spring U-Bolts
56
Installing the Handrails
57
1Stair Handrails
57
Stair Handrails
57
Miscellaneous Preparation
58
1Cleaning
58
Cleaning
58
Floodlight
58
1Movable Handrails
58
Movable Handrails
58
Platform Handrails (Wings)
58
2Stabilizers
59
Stabilizers
59
3Hydraulic Oil
59
Hydraulic Oil
59
4Fastenings
59
Fastenings
59
5Operational Check
59
Operational Check
59
Record Aircraft Servicing Data
59
Shipping the Unit
59
Servicing
63
Chapter 2 Maintenance
63
NMC-Wollard, Inc. Torque Values
64
Preventative Maintenance
65
Periodic Maintenance
65
Hydraulic System - Special Instructions
65
Hydraulic System Safety
65
Changing Reservoir Oil
66
General Lubrication Diagram
67
Trouble Shooting
69
Basic Troubleshooting - Hydraulic System
69
Basic Troubleshooting - Mechanical
70
Basic Troubleshooting - Electrical System
71
Electrical and Hydraulic Schematics and Diagrams
72
Removal and Installation
81
Stair Assembly
81
Special Tools and Equipment
81
Stair Removal
81
Stair Installation
82
Separating and Mating Stair Sections
83
Separating Stair Sections
83
Mating Stair Sections
83
Stair Cylinder Removal and Replacement
84
Stair Cylinder Removal
84
A-Frame Removal and Installation
85
A-Frame Removal
85
Main Stair Frame Removal and Installation
85
Main Stair Frame Removal
85
Main Stair Frame Installation
86
Electrical Components Removal and Installation
86
Hydraulic System
86
Hydraulic System Safety
86
Hydraulic System Procedures
87
Wheel Mounting (Dual Rear Wheels)
87
Installation and Removal of Optional Extended Stair
88
Extended Stair Instructions
88
Removing the Step Platform Assembly
89
Reinstalling the Step Platform Assembly
89
Installation of Optional Canopy
90
Deck Section
90
Lower Section
92
Final Assembly
93
Upper Section
93
Ford 6.0L Diesel Clutch Pump Kit Installation
96
F350 V8/Gas Clutch Pump Installation
100
Deweze, Ford 5.4L, 2008+ Clutch Pump Installation
102
Repairs
103
Stabilizer Proximity
103
Chapter 4 Repair Parts
111
How to Use the Repair Parts Chapter
111
List of Vendors
113
Numerical Part Number List
115
4Illustrated Parts List
119
Main Assembly
120
A-Frame Assembly
124
Main Stair Assembly
126
Handrail Assembly
130
Adjustable Stair Assembly
132
Wing Assembly, Platform
138
Adjustable Section Handrail
140
Main Stabilizer Assembly
142
Rear Stabilizer Assembly
144
Hydraulic Assembly
146
Hydraulic Tank (SN 1378-1379)
152
Hydraulic Manifold, Lift/Stabilizer
154
Tank, Heated, Option
156
Electrical Assembly
158
Solenoid Assembly
164
Placards and Signs
166
Placards, Special, Option
168
Beacon, Rotating, Option
170
Light, Warning, Amber, Option
172
Lights, Flood, Back-Up, Option
174
Morse Control, Option - 2005
176
Morse Control Shifter Assembly
178
Gas Cap, Protect-O Seal Option
180
Alarm, Backup, Option
182
Stair and Deck Tread, Rubber, Option
184
Platform, 3-Meter, Option
186
Stair Assembly, Extended, Option
188
Canopy Assembly Option
190
Canopy, Installation & Assembly
192
Step Reinforcement Option
194
Battery Jumper System Option
196
Option, HD Bumper F350, 1999-2000
198
Option, HD Bumper F350, 2000-2008
200
Option, HD Bumper, F350, 2009
202
Governor, F350 Gas, Option
206
Lights, Canadian Running, Option
208
Shut Down, Low Oil, Gas/Dsl, Option (SN 1381+)
210
Harness Assemblies
212
Wheel/Tire, F350 Current Year, Option
214
Fire Extinguisher, Option
216
Truck Prep, F350 6.0L Diesel (1 of 2)
218
Truck Prep, F350 V8 Gas (1 of 2)
222
Hourmeter Installation Option, Diesel
226
Heat, Hydraulic Tank, Option
228
Outside Controls, Optional
230
Truck Prep, F350 V8 Gas, 2008
232
Pump Kit W/Clutch F350 V8, Gas, 2008
234