EasyManua.ls Logo

Nobles 608622 - Page 33

Nobles 608622
57 pages
Print Icon
To Next Page IconTo Next Page
To Next Page IconTo Next Page
To Previous Page IconTo Previous Page
To Previous Page IconTo Previous Page
Loading...
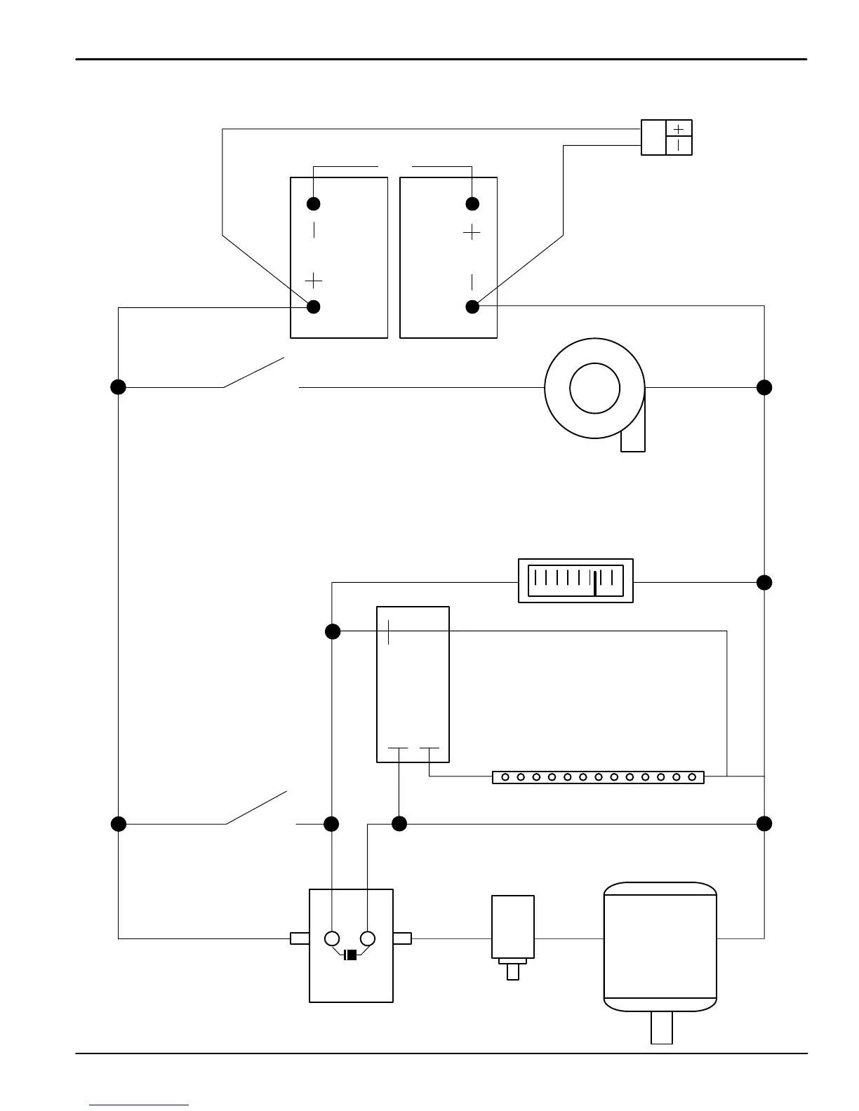
ELECTRICAL DIAGRAMS
DIAGRAMAS ELECTRICAS
33
Speed Scrubt 2001 Battery (1101)
12V BATTERY
12V BATTERY
CHARGER
PLUG
SAFETY LIGHTS
BRUSH
SWITCH
24V A.C.
FLASHER
VACUUM
SWITCH
VACUUM
MOTOR
BATTERY METER
BRUSH
MOTOR
35 AMP
BREAKER
SWITCH
SOLENOID
1
2
3
RED
24V LADDER
DIAGRAM

Table of Contents

Related product manuals