EasyManua.ls Logo

Nobles 608622 - Non-Drive Model Wheel Group; Conjunto para Levantar Cepillo

Nobles 608622
57 pages
Print Icon
To Next Page IconTo Next Page
To Next Page IconTo Next Page
To Previous Page IconTo Previous Page
To Previous Page IconTo Previous Page
Loading...
PARTS LIST
LISTA DE PIEZAS
Speed Scrubt 2001 Battery (1101)
46
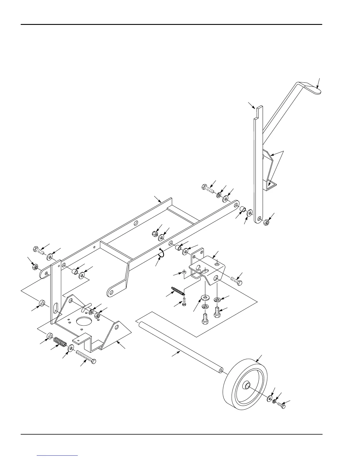
NON-DRIVE MODEL WHEEL GROUP
CONJUNTO PARA LEVANTAR CEPILLO
9
1
2
3
4
5
6
5
7
8
5
10
5
6
11
8
13
12
14
15
16
17
18
19
20
21
22
25
24
4
7
5
6
23
4
5
8
26
27
28
26

Table of Contents

Related product manuals