EasyManua.ls Logo

Nokia N80 - Power Distribution

Nokia N80
377 pages
Print Icon
To Next Page IconTo Next Page
To Next Page IconTo Next Page
To Previous Page IconTo Previous Page
To Previous Page IconTo Previous Page
Loading...
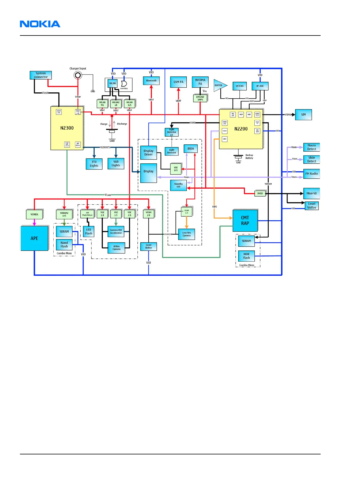
Power distribution
Figure 88 Power distribution diagram
Power supply components:
EM ASIC N2200
EM ASIC N2300
Application processor VCORE SMPS, N4200
WLAN module supplies: N5501, N5502 and N5503
APE ADRAM LDO: N4201
Camera and camera accelerator supplies: N6504, N6501 and N6500
Mini SD regulator: N3500
Flash LED driver: N6502
Front camera regulator: N4405
On the UI PWB:
Second front camera regulator N5
Display accelerator regulator N2
All the above are powered by the main battery voltage.
Battery voltage is also used on the RF side for power amplifiers (GSM PA & WCDMA PA) and for RF ASICs.
RM-91; RM-92
Nokia Customer Care System Module
Page 9 –10 COMPANY CONFIDENTIAL Issue 1
Copyright © 2006 Nokia. All rights reserved.

Table of Contents

Other manuals for Nokia N80

Related product manuals