EasyManua.ls Logo

Norac Apache UC7 - Page 36

Default Icon
43 pages
Print Icon
To Next Page IconTo Next Page
To Next Page IconTo Next Page
To Previous Page IconTo Previous Page
To Previous Page IconTo Previous Page
Loading...
WWW.NORAC.CA
PRECISIONDEFINED

Page33
Visitwww.solutions.norac.caformoresystem
installationandtroubleshootinginfo.
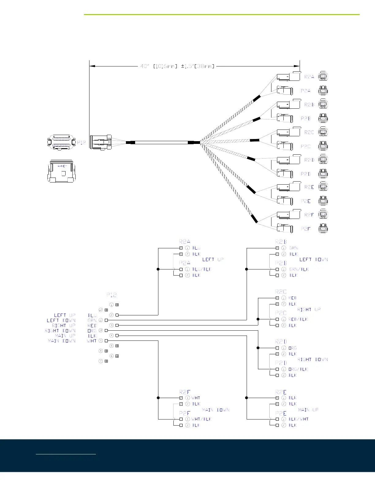
9.7. ItemC20:5014006‐CBL,I/FDT