EasyManua.ls Logo

Noritz NRCB180DV - Zoned with Pumps

Noritz NRCB180DV
84 pages
Print Icon
To Next Page IconTo Next Page
To Next Page IconTo Next Page
To Previous Page IconTo Previous Page
To Previous Page IconTo Previous Page
Loading...
77
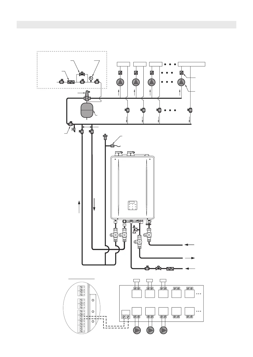
18.4 Zoned with Pumps
This drawing is meant to show system piping concept only. Installer is responsible for all equipment & detailing
required by local codes. Refer to page 51 for electrical wiring instructions.
[CN233]
T - T
T/TT/TT/T
T/T
Heating
Return
Heating Supply
ZONE1
Pump
Wiring Diagram
ZONE2
Pump
ZONE3
Pump
ZONE1ZONE2
ZONE CONTROLLER
ZONE3
DHW Supply
DHW Cold Water Supply
Auto Feeder
ZONE 1
PRESSURE
GAUGE
PRESSURE
REDUCING VALVE
ZONE 2 ZONE 3
BACKFLOW
PREVENTER
MAKE UP WATER
BALL VALVE
(TYPICAL)
EXPANSION
TANK
Not to exceed 4 pipe Dia or Max. 12 in. APART
FLOW CHEC
K
VALVE
(TYPICAL)
ZONE PUMP
S
(TYPICAL)
* In case of installing external water feeder.
AIR SEPARATOR
Additional Zone
Recommended Pressure Setting
: 15-30 psi
Optional LWCO
(See on the page 44)
Plumbing Applications

Table of Contents

Related product manuals