EasyManua.ls Logo

NorthStar EXPLORER 457 - Page 47

Default Icon
60 pages
Print Icon
To Next Page IconTo Next Page
To Next Page IconTo Next Page
To Previous Page IconTo Previous Page
To Previous Page IconTo Previous Page
Loading...
Northstar FISH 457/467 Installation and Operation Manual 47
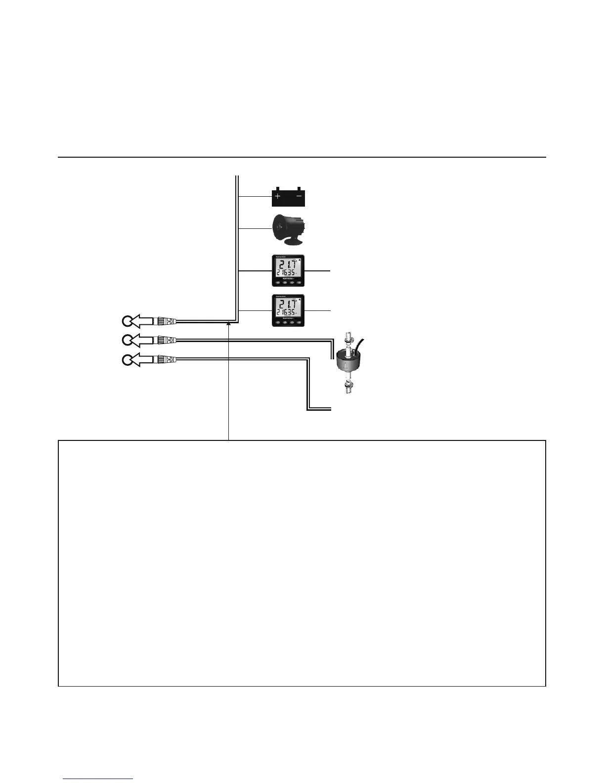
Connections
SmartCraft fuel sensors (see section 9-7)
SmartCraft: With one or two SmartCraft capable
Mercury petrol/gasoline engines, the 457/467 can
display engine data and trim and can control troll
speed (see section 9-7).
Other instruments: The 457/467 can receive
data from other instruments and send data
to other instruments by NavBus or NMEA (see
sections 9-8 and 9-9).
Please consult your Northstar dealer for more
information.
Display unit
(9-3)
Power (9-4)
External alarms (9-4)
NavBus instruments and VHF radio (9-8)
NMEA out to instruments (9-9)
Petrol/gasoline sensors (9-6)
Sonar transducer (9-5)
Black
White
BlueBlue
Power/data cable
Pin Wire Function
1Black Ground: - power in, NMEA ground. (The cable has two black wires which are
connected inside the cable and it does not matter which black wire you use)
2BrownNot used
3White NMEA out
4Blue NavBus-
5 Red Power in, +10.5 to +30.5 V DC
6 Orange NavBus+
7 Yellow Auto power in
8 Green External alarm out, 30 V DC 200 mA maximum.

Table of Contents

Other manuals for NorthStar EXPLORER 457

Related product manuals