EasyManua.ls Logo

Notifier AFP1010 - Page 68

Notifier AFP1010
268 pages
Print Icon
To Next Page IconTo Next Page
To Next Page IconTo Next Page
To Previous Page IconTo Previous Page
To Previous Page IconTo Previous Page
Loading...
1-58
Installation 15088:K 3/21/01
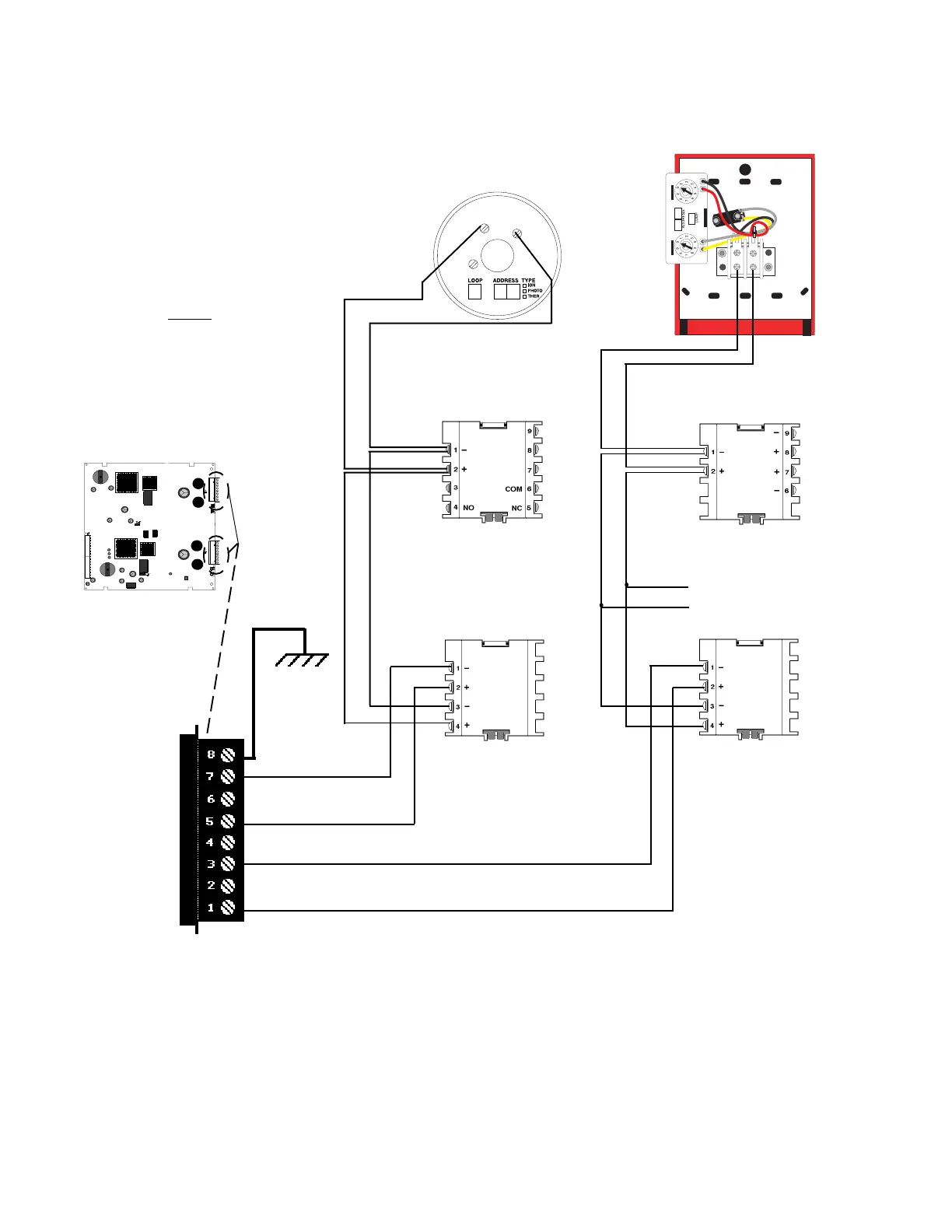
Figure 4.3-3 Typical NFPA Style 4 SLC Loops
LIB Signaling Line Circuit (SLC) loops can be wired to meet the requirements of an NFPA Style 4 (refer to Figure
4.3-3), Style 6 (refer to Figure 4.3-4) or Style 7 (refer to Figure 4.3-5) SLC.
Connect to
chassis via
Cable 71073.
Detectors
Separate T-Tap to
other Loop
devices
ISO-X
ISO-X
2(+)
1(-)
3
Modules
Pull Stations
Modules
All terminals are power-limited
LIB
SLC Loop
Earth Ground
Channel B (-)
no connection
Channel B (+)
no connection
Channel A (-)
no connection
Channel A (+)
LIB
NOTE
Refer to Appendix A and
installation drawings supplied
with each loop device for rating
and specification information.
Note: Isolator devices are
not required for the Style 4
configuration. See "Device
Loading and Isolator Power
up". With Style 4 wiring
multiple branches can be
made at the LIB, each
protected by an isolator
device. This illustration
depicts two independent
Style 4 SLC loops.
Removal of either of the two
isolator modules results in a
single Style 4 SLC loop.

Table of Contents

Other manuals for Notifier AFP1010

Related product manuals