EasyManua.ls Logo

Notifier AFP1010 - Page 69

Notifier AFP1010
268 pages
Print Icon
To Next Page IconTo Next Page
To Next Page IconTo Next Page
To Previous Page IconTo Previous Page
To Previous Page IconTo Previous Page
Loading...
1-59
Installation 15088: K 3/21/01
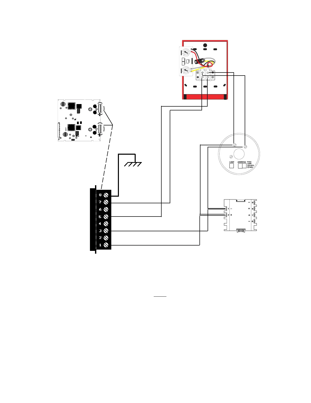
Connect to
chassis via
Cable 71073
LIB
SLC Loop
Earth Ground
Channel B (-)
no connection
Channel B (+)
no connection
Channel A (-)
no connection
Channel A (+)
Modules
Detectors
Figure 4.3-4 NFPA Style 6 LIB SLC Loop
Functions in accordance with NFPA Style 6 SLC
Pull Stations
All terminals are power-limited
2(+)
1(-)
NOTE
Refer to Appendix A and installation drawings supplied with each loop device for rating and specification information.
LIB-400

Table of Contents

Other manuals for Notifier AFP1010

Related product manuals