EasyManua.ls Logo

NPK C6CSD - C8 Csd

Default Icon
49 pages
Print Icon
To Next Page IconTo Next Page
To Next Page IconTo Next Page
To Previous Page IconTo Previous Page
To Previous Page IconTo Previous Page
Loading...
NPK
- 10 -
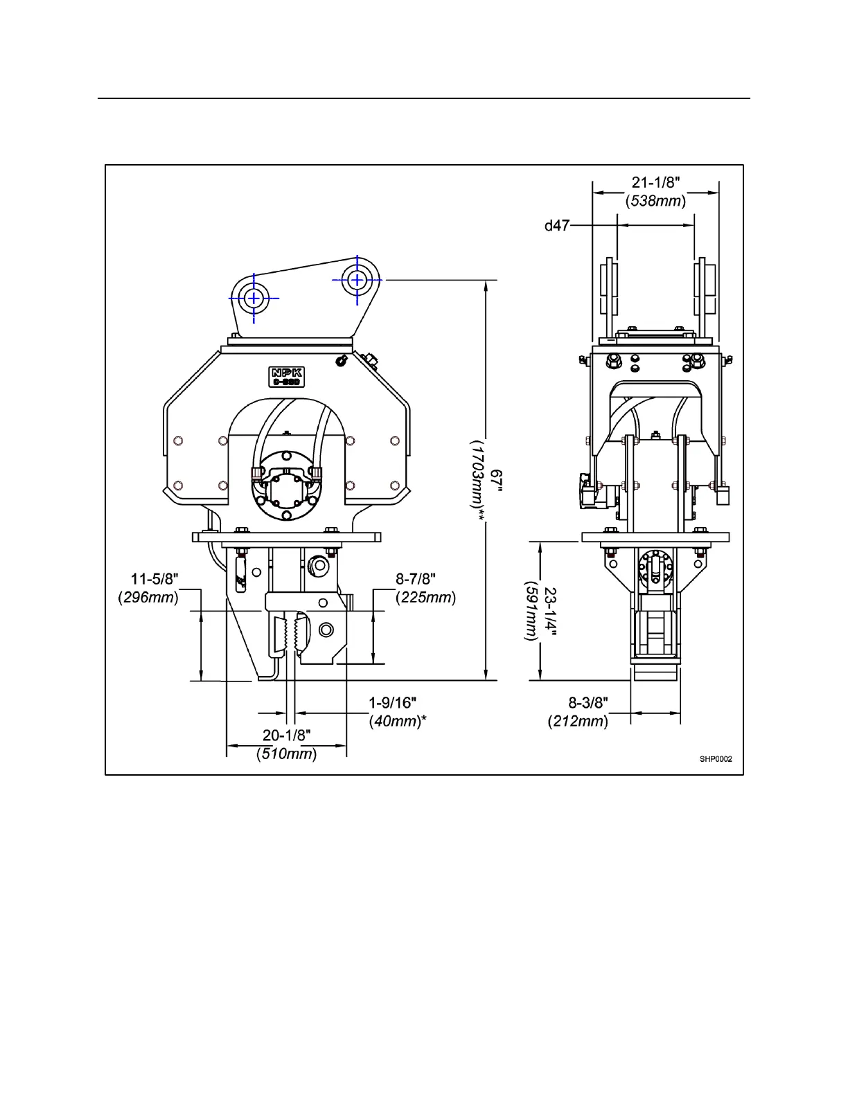
SPECIFICATIONS
C8CSD
DIMENSION d47: variable
* = Maximum opening
** = Subject to change
WORKING WEIGHT: 2750 lbs. (1250 kg)

Related product manuals