EasyManua.ls Logo

NTI Trinity Ti 200 - Multiple Zones with Taco Valve controller

Default Icon
38 pages
Print Icon
To Next Page IconTo Next Page
To Next Page IconTo Next Page
To Previous Page IconTo Previous Page
To Previous Page IconTo Previous Page
Loading...
23
TCA
%Ef.Air
Water
Call for Heat
Aux. Pump
Heating Pump
Bur ner On
POWER SUPPLY
15 AMP FUSED
120/1/60
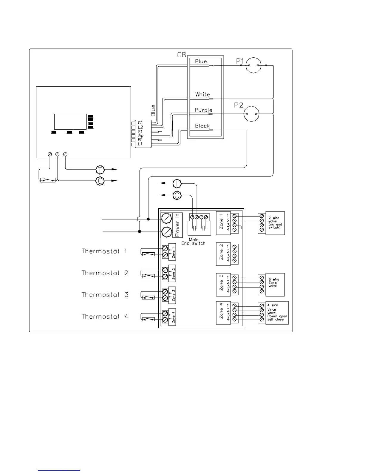
7.2.2 Multiple Zones with Taco Valve controller
(Models ZVC403 to ZVC 406)
The basic multiple zoned system using normally closed 2 – 3- or 4 wire Taco zone valves. This wiring system is used with the piping as
described in Section 6.2.1 “Multiple Zones using Zone Valves”.
Operation
Room thermostat closes circuit to TT terminals Taco ZVC403 to ZVC 406 zone controller. The controller energizes the appropriate zone
valve and closes the circuit between terminals T-C on the Sentry control. The Sentry 2100 provides power to the primary pump and
secondary pump via (C1), once these pumps are on it turns on the burner.
Once the room thermostat is satisfied, it breaks power to the motor, which opens the end switch, and the T-C circuit. The Pumps and
burner turn off.
Legend
P1- Primary Pump CB- Trinity Control box
P2- Indirect pump, or
Combi Valve

Other manuals for NTI Trinity Ti 200

Related product manuals