EasyManua.ls Logo

NTI Trinity Ti 200 - Multiple Temperature Zones with Injection Pumps

Default Icon
38 pages
Print Icon
To Next Page IconTo Next Page
To Next Page IconTo Next Page
To Previous Page IconTo Previous Page
To Previous Page IconTo Previous Page
Loading...
25
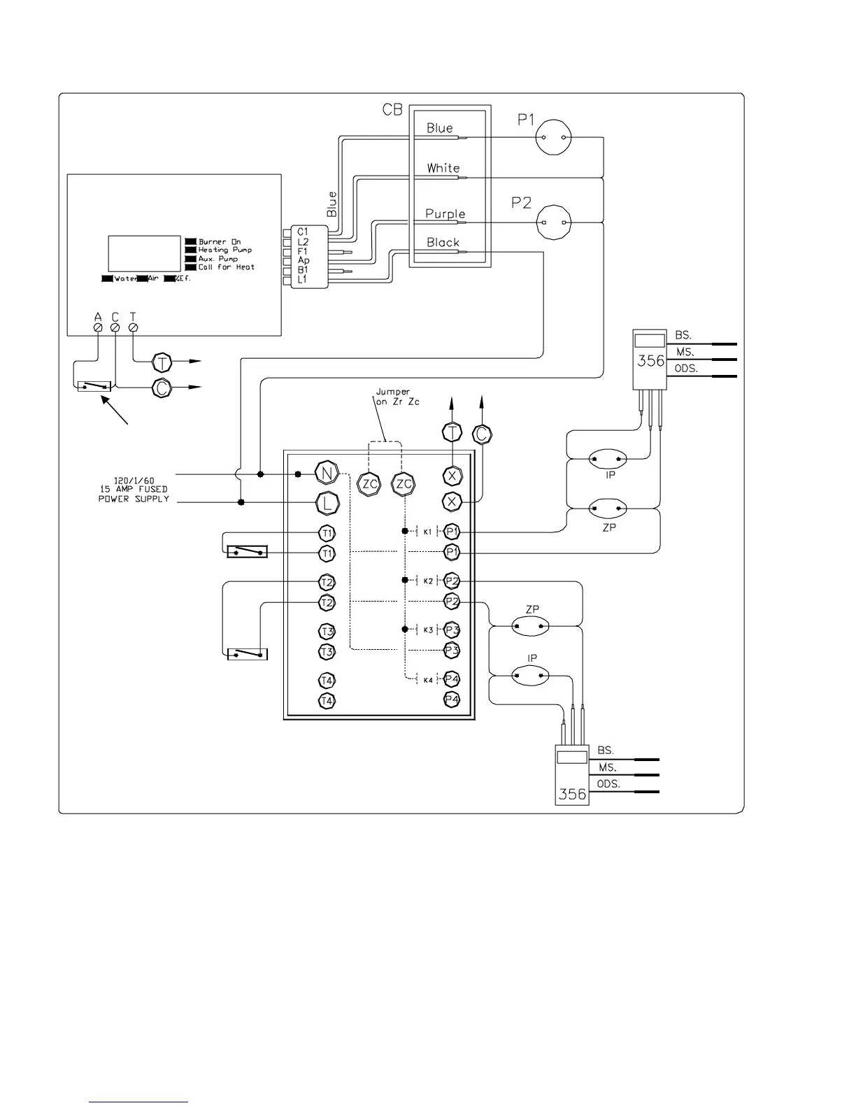
7.2.4 Multiple Temperature Zones with Injection Pumps
(Models Taco SR504, Argo ARM 861 Series And Tekmar 356 controller )
This wiring system is used with the piping as described in 6.2.3 Multiple Zones with different temperatures ((Using Injection pumps))
Operation
Room thermostat or the end switch of a zoned manifold closes the circuit to TT terminals of the pump controller. The pump controller
then:
1. Sends 120 volts to the zone pumps (which circulates mixed water throughout the loop).
2. Sends 120 volts to the injection pump, through the 356 Tekmar controller.
3. Closes the circuit between terminals T-C on the Sentry control. The Sentry 2100 provides power to the primary pump via (C
1
),
once the pump is on, it turns on the burner.
The 356 controller reduces or increases the speed of the injection pump, depending on the temperature at the “Mix sensor”.
Legend
P1- Primary Pump ZP- Zone Pump
P2- Indirect pump or 3-way Valve in Combi BS.- Strap on boiler sensor
CB- Trinity Control box MS.- Strap on mixing sensor
IP- Injection Pump ODS.- Outdoor sensor
Indirect thermostat, or
combi flow switch
Loop 2
(
Lo Temp.
)
Thermostat, or
manifold end switch
Loop #2, Lo Temp.
Loop 1
(
Hi Temp.
)
Thermostat, or
manifold end switch
Loop #1, Hi Temp.

Other manuals for NTI Trinity Ti 200

Related product manuals