EasyManua.ls Logo

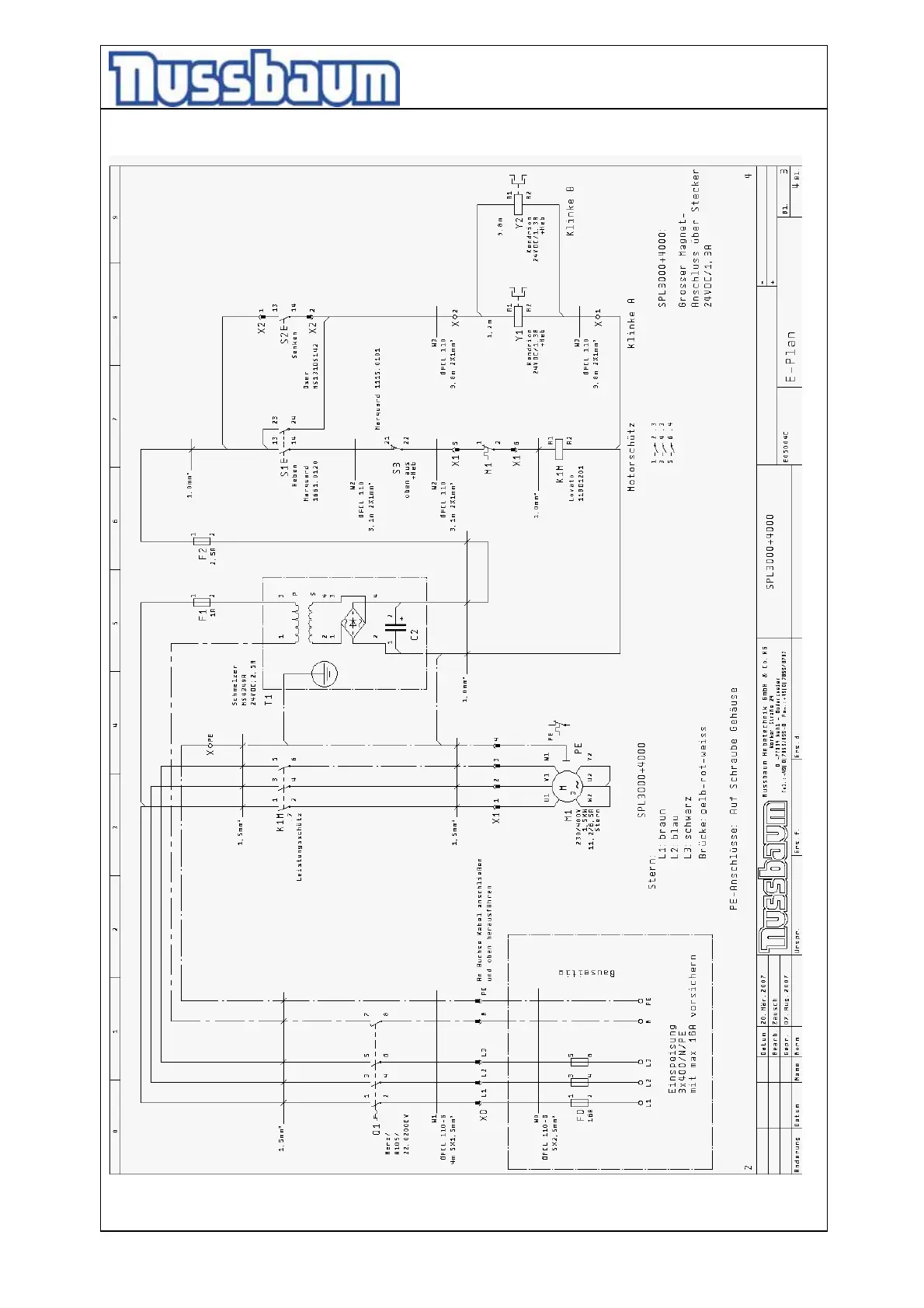
Nussbaum SPL 4000 - 3.5 Electrical diagram drawing (Standard 3 x400 V)

Nussbaum SPL 4000
38 pages
Print Icon
To Next Page IconTo Next Page
To Next Page IconTo Next Page
To Previous Page IconTo Previous Page
To Previous Page IconTo Previous Page
Loading...
Operating Instruction and Documentation
SPL 4000
- 14 -
3.5 Electrical diagram drawing (Standard 3x400V)

Related product manuals