EasyManua.ls Logo

Okuma VTM-200 - Spindle Nose Dimensions

Okuma VTM-200
109 pages
Print Icon
To Next Page IconTo Next Page
To Next Page IconTo Next Page
To Previous Page IconTo Previous Page
To Previous Page IconTo Previous Page
Loading...
5699-E P-75
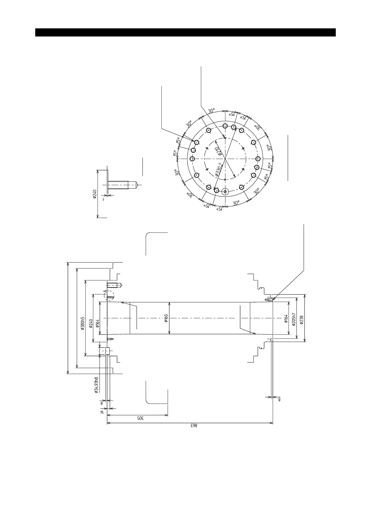
SECTION 6 APPENDED DIAGRAMS
2. Spindle Nose Dimensions
LE11214R0100800020001
Detail of A
15-M24 Depth 50 (1.97)
6-M8 Depth 25 (0.98)
Chuck mounting surface
12-M12 Depth 25 (0.98)
Taper 2°
φ540 (21.26)
φ480 (18.90)
(14.96)
(9.45)
(6.46)
(1.3752)
Taper 2°
(6.30)
(6.46)
(8.07)
(9.37)
(9.45)
(0.55)
(0.31)
(12.01)
(0.31)
(33.98)
(0.04)
(13.000)
(8.27)

Table of Contents

Related product manuals