EasyManua.ls Logo

omi ED 18 - WIRING DIAGRAMS (270-360 Nm3;h, 50 Hz)

omi ED 18
Print Icon
To Next Page IconTo Next Page
To Next Page IconTo Next Page
To Previous Page IconTo Previous Page
To Previous Page IconTo Previous Page
Loading...
Cod. 710.0138.01.00 Rev1C – 09.2009
62 - 75
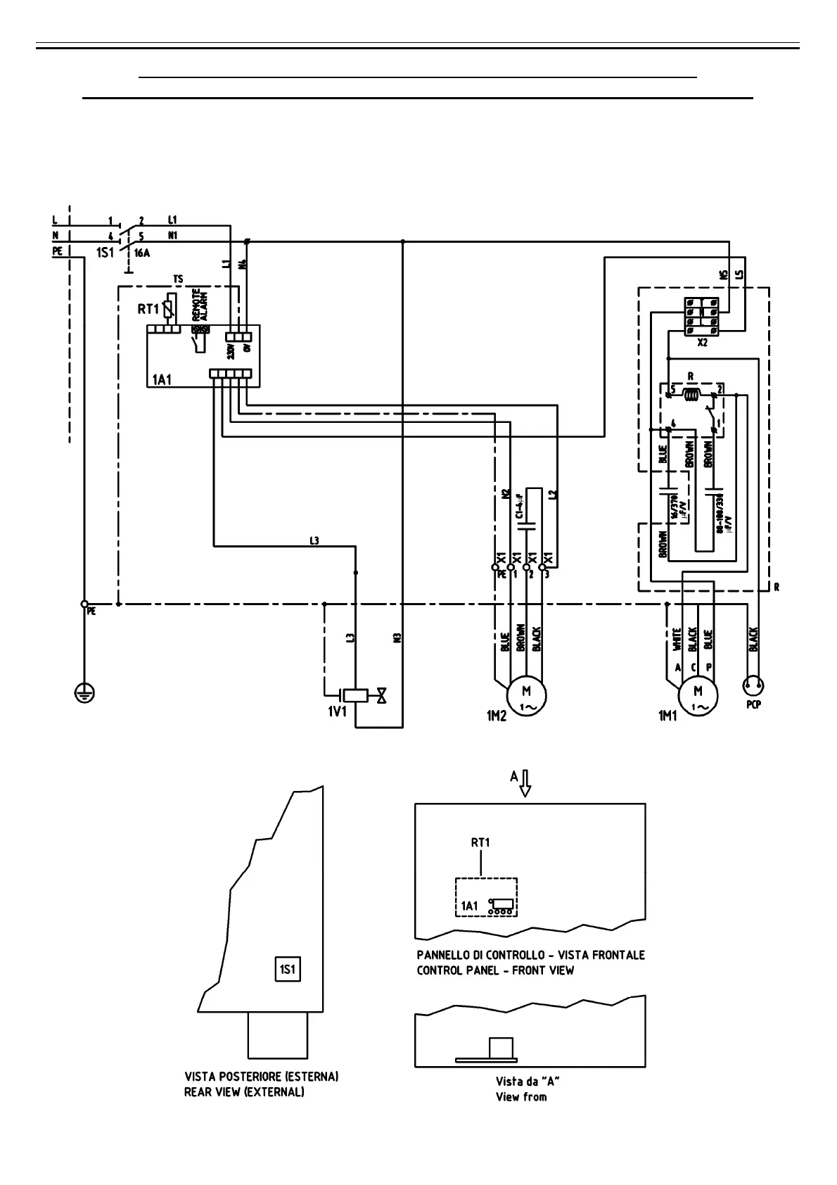
B) SCHEMA ELETTRICO - WIRING DIAGRAM - SCHALTSCHEMA
ESQUEMA ELECTRICO - SCHEMA ÉLECTRIQUE - ЭЛЕКТРИЧЕСКАЯ СХЕМА
Mod. 270 – 360 Nm3/h (Mod. 4500 – 6000 Nl/min)
(230V/1Ph/50Hz)
Cod. 714.0162.01.00 – Rev. 00

Table of Contents

Related product manuals