EasyManua.ls Logo

omi ED 18 - WIRING DIAGRAMS; 230 V;1 Ph;50 Hz Models Wiring; 230 V;1 Ph;60 Hz Models Wiring

omi ED 18
Print Icon
To Next Page IconTo Next Page
To Next Page IconTo Next Page
To Previous Page IconTo Previous Page
To Previous Page IconTo Previous Page
Loading...
Cod. 710.0138.01.00 Rev1C – 09.2009
61 - 75
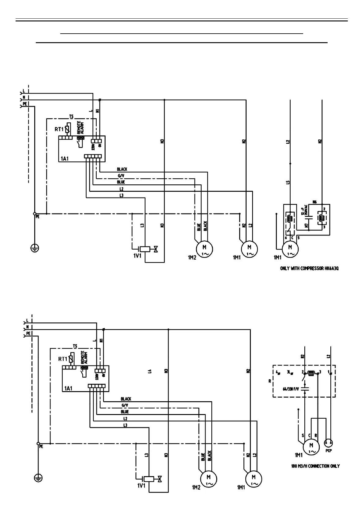
B) SCHEMA ELETTRICO - WIRING DIAGRAM - SCHALTSCHEMA
ESQUEMA ELECTRICO - SCHEMA ÉLECTRIQUE - ЭЛЕКТРИЧЕСКАЯ СХЕМА
Mod. 18 – 24 – 54 – 72 – 108 – 144 – 180 Nm3/h
(Mod. 300 – 400 – 900 – 1200 – 1800 – 2400 – 3000 Nl/min)
(230V/1Ph/50Hz)
Cod. 714.0104.01.00 – Rev. 00
Mod. 18 – 24 – 54 – 72 – 108 – 144 – 180 Nm3/h
(Mod. 300 – 400 – 900 – 1200 – 1800 – 2400 – 3000 Nl/min)
(230V/1Ph/60Hz)
Cod. 714.0104.06.00 – Rev. 00

Table of Contents

Related product manuals