EasyManua.ls Logo

Omron LD - Page 50

Omron LD
55 pages
Print Icon
To Next Page IconTo Next Page
To Next Page IconTo Next Page
To Previous Page IconTo Previous Page
To Previous Page IconTo Previous Page
Loading...
50
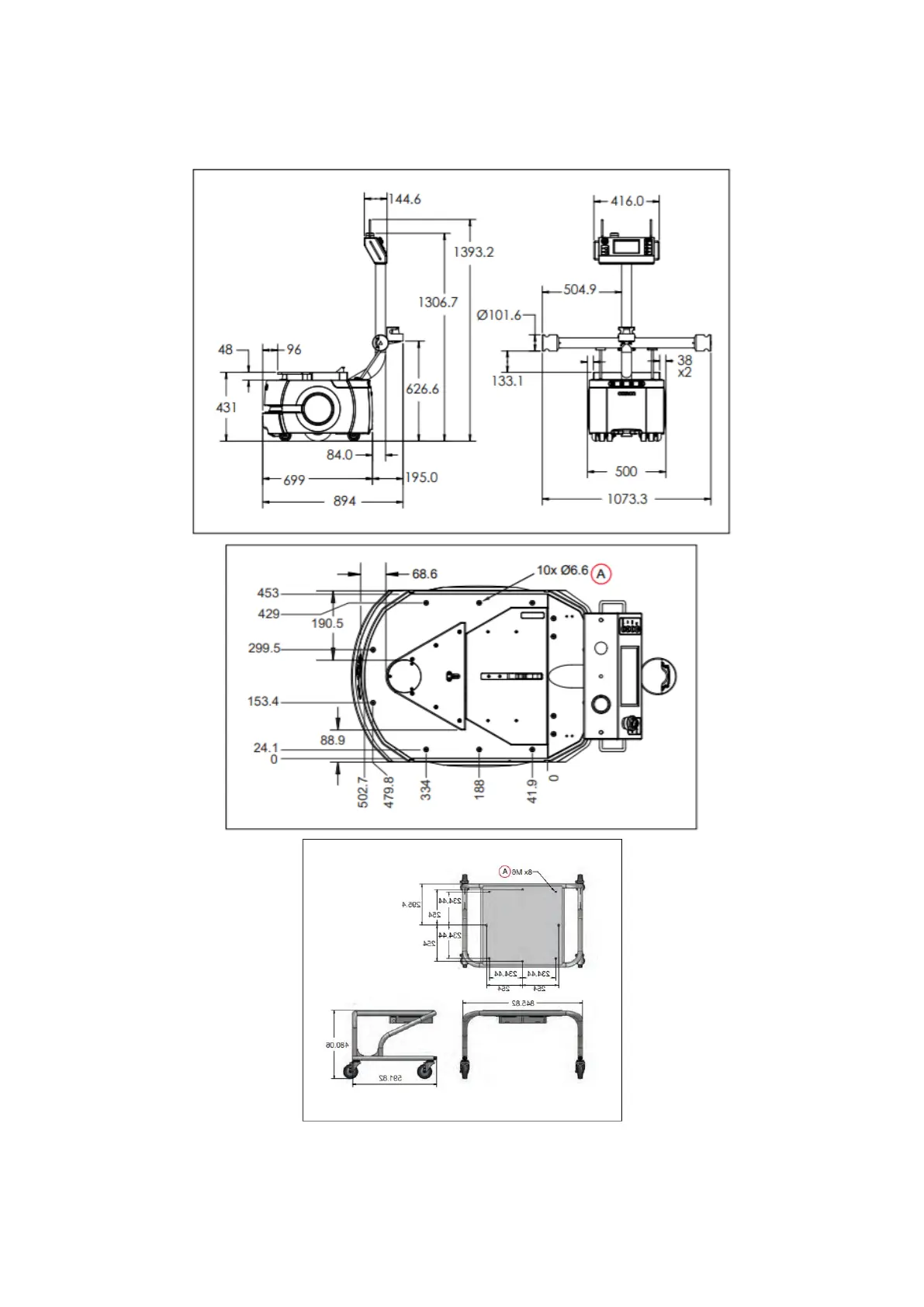
For Cart Transporter platform:

Other manuals for Omron LD

Related product manuals