EasyManua.ls Logo

Omron S82K - Block Diagrams

Omron S82K
16 pages
Print Icon
To Next Page IconTo Next Page
To Next Page IconTo Next Page
To Previous Page IconTo Previous Page
To Previous Page IconTo Previous Page
Loading...
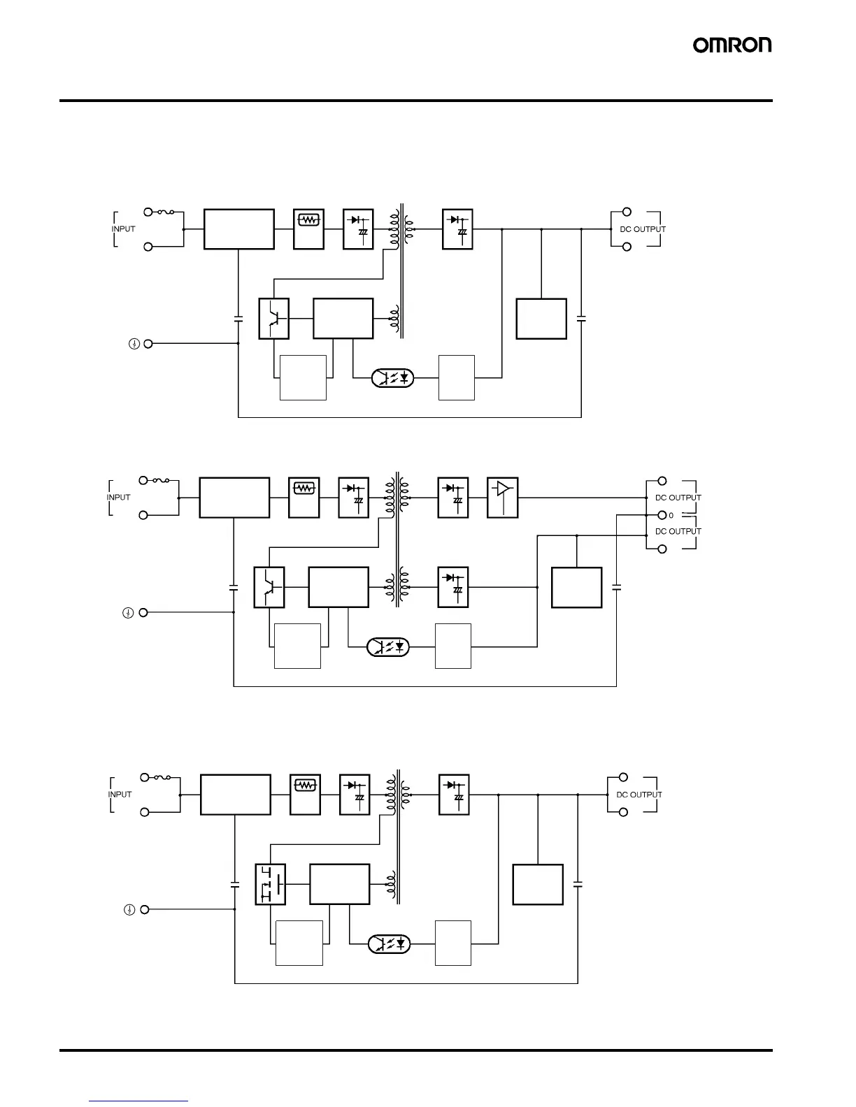
4 Switch Mode Power Supply S82K
Connections
Block Diagrams
AC (L)
AC (N)
V
+ V
Fuse (1 A)
Noise filter
Inrush current
protection
circuit
Rectifier/
smoothing
circuit
Photocoupler
Rectifier/
smoothing
circuit
Detector
Undervoltage
alarm
indicator
Drive control
circuit
Overload
detection
circuit
S82K-003@@ (3 W)
S82K-007@@ (7.5 W, Single Output)
AC (L)
AC (N)
V
+ V
S82K-007@@ (7.5 W, Dual Outputs)
Fuse (1 A)
Noise filter
Rectifier/
smoothing
circuit
Photocoupler
Rectifier/
smoothing
circuit
Rectifier/smoothing circuit
Detector
Undervoltage
alarm
indicator
3-terminal
REG
Drive control
circuit
Overload
detection
circuit
Inrush current
protection
circuit
AC (L)
AC (N)
V
+ V
Fuse (3 A)
Noise filter
Rectifier/
smoothing
circuit
Photocoupler
Rectifier/
smoothing
circuit
Detector
S82K-015@@ (15 W)
S82K-030@@ (30 W)
S82K-05024 (50 W)
Inrush current
protection
circuit
Drive control
circuit
Overload
detection
circuit
Undervoltage
alarm
indicator

Other manuals for Omron S82K

Related product manuals