EasyManua.ls Logo

Omron ZX-LDA11 - Page 47

Omron ZX-LDA11
187 pages
Print Icon
To Next Page IconTo Next Page
To Next Page IconTo Next Page
To Previous Page IconTo Previous Page
To Previous Page IconTo Previous Page
Loading...
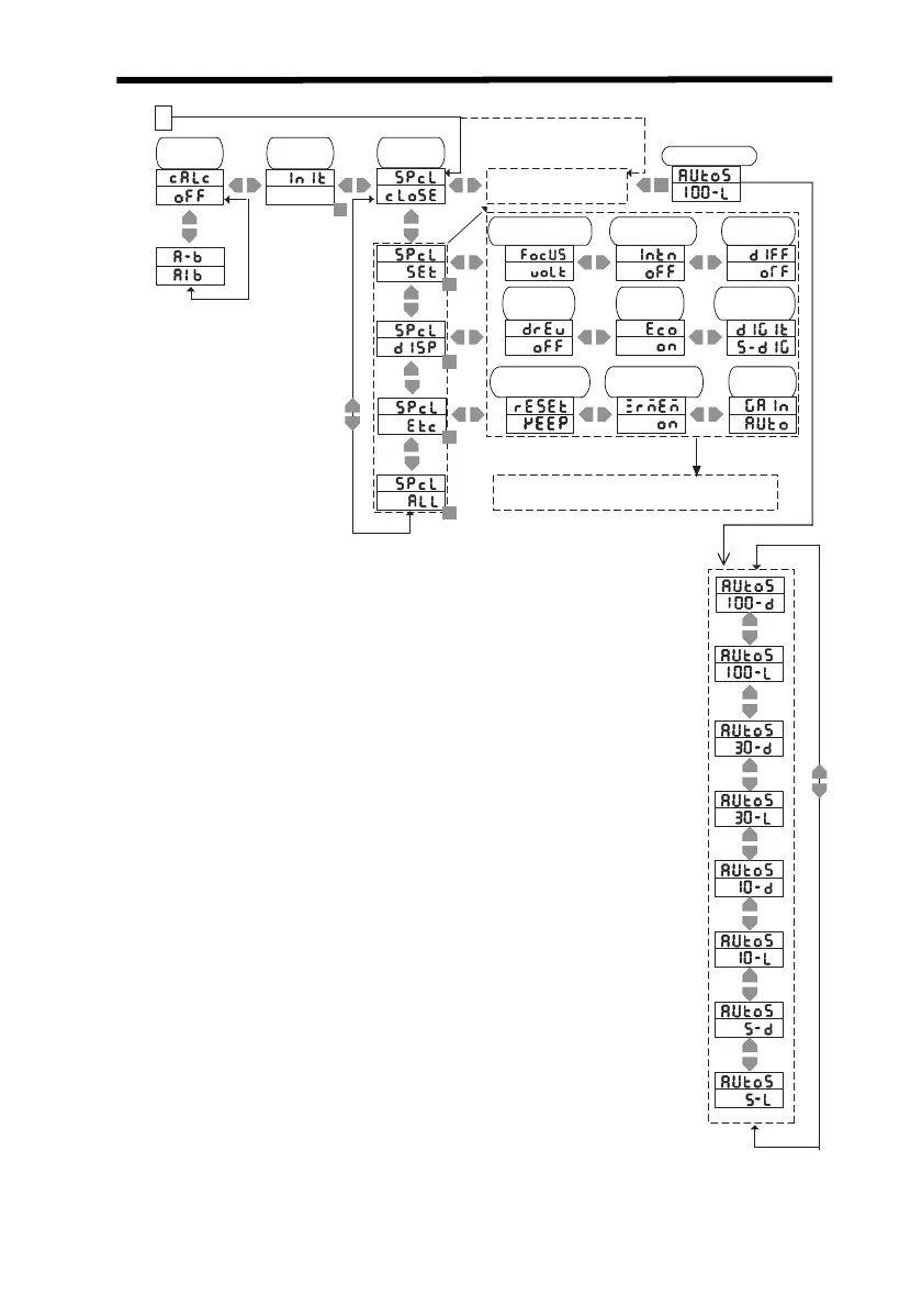
Outline of Functions Section 2-5
27
Initialization
Special
Functions selected under
Special appear at this level.
Functions connected to Set, diSp, and Etc are
connected to this level when ALL is sele
cted.
Monitor focus
Differentiation
function
Intensity Mode
Display
reverse
ECD
mode
Limited number
of display digi
ts
Settings for
non-measurement
Zero reset memo
ry
Operation
See note 1.
A B
A + B
.
.
Note 1: Appears only when two Sensor Heads are connected.
Note 2: Appears only when a Through-beam Sensor Head is used.
Note 3: Appears only when a Reflective Sensor Head is used.
Auto-scale
Voltage Gain
Switch
A
See note 2.
See note 3.
Z157-E1-01C.book Page 27 Thursday, August 31, 2006 5:13 PM

Table of Contents

Related product manuals