EasyManua.ls Logo

Onkyo TX-DS494

Onkyo TX-DS494
33 pages
To Next Page IconTo Next Page
To Next Page IconTo Next Page
To Previous Page IconTo Previous Page
To Previous Page IconTo Previous Page
Loading...
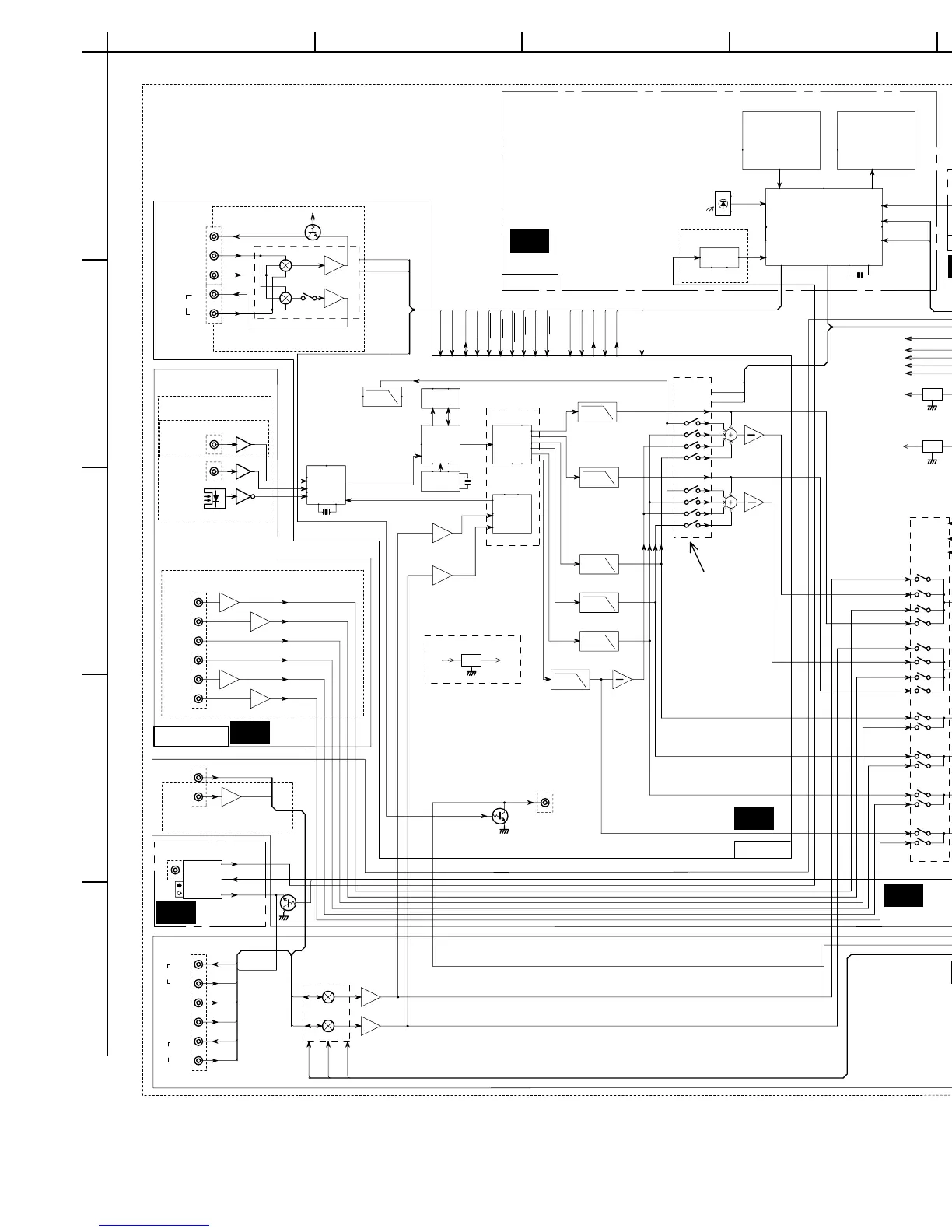
BLOCK DIAGRAM
U7
DISPLAY CIRCUIT
PC BOARD
U8
MAIN PC BOARD
U6
SECONDARY TERMINAL
PC BOARD
U9
HEAD PHONE JACK
PC BOARD
U4
SURROUND SPEAKER
TERMINAL PC BOARD
U2
SURROUND CHANNEL POWER
AMPLIFIER PC BOARD
U3
FRONT SPEAKER TERMINAL
PC BOARD
U1
FRONT CHANNEL
POWER AMPLIFIER
PC BOARD
U10
MASTER VOLUME PC BOARD
U21
MULTI CHANNEL INPUT
TERMINAL PC BOARD
U23
U13
DSP CIRCUIT PC BOARD
U14
INPUT TERMINAL PC BOARD
U20
VIDEO TERMINAL
PC BOARD
U19
REGULATOR CIRCUIT
PC BOARD
U18
PRIMARY TERMINAL
PC BOARD
U16
POWER SWITCH
PC BOARD
U15
PRIMARY CIRCUIT
PC BOARD
A
1
2
3
4
5
BCDEFG
P401
P401
P402
Q932
X7001
5MHZ
X701
12.288MHZ
X702
12.2MHZ
AM
FM
U7201
TORX178B
Q201,203,204
BA7625
Q261
NJM4565M-D
Q243
NJM4558L-D
Q243
NJM4558L-D
Q241
NJM4558L-D
Q241
NJM4558L-D
Q302
NJM4565M-D
Q809
Q808
NJM4565M-D
Q803
NJM4565M-D
Q808
NJM4565M-D
Q3501
NJM4565M-D
Q3301
NJM4565M-D
Q3301
NJM4565M-D
Q302
NJM4565M-D
Q804
NJM4565M-D
Q3181,3183
NJM4565M-D
Q3181
NJM4565M-D
Q3281,3183
NJM4565M-D
Q3581
NJM4565M-D
Q3581
NJM4565M-D
Q3381
NJM4565M-D
Q3381
NJM4565M-D
Q3281
NJM4565M-D
Q701
Q704
Q703
OSC
TC7WU04
Q705,706,707
Q1001
BU1923
Q801
Q805
NJM4565M-D
Q809
Q807
NJM4565M-D
Q807
NJM4565M-D
Q806
NJM4565M-D
Q806
NJM4565M-D
Q805
NJM4565M-D
Q802
TC9162AF
Q3151
TC9164AF
Q405
Q406
Q202
Q221,Q222,Q223
Q3184
Q3284
Q3384
Q3484
Q3584
Q3684, Q3685
Q3182
Q3282
Q3690,3691
Q951
1
1 1
Q934
78M05
G
IO
Q931
78M56
G
IO
Q933
78M05
G
IO
Q921
78M12
G
IO
Q709
MPC28M33HF
G
IO
Q922
79M12
G
IO
Q7001
MPD780208GF
U7001
GP1U281X
Q7004
15-BT-70GNK
Q7201
74HCU04
13
12
Q7201
74HCU04
1
2
Q7201
74HCU04
9
8
DSP+5V
+24V
SWMUTE
AUDIO+12V
AUDIO-12V
FL-29V
FSWSLT
FSWSCK
FSWSDO
HPIN
FSWSLT
FSWSDO
FSWSCK
I-PRO
V-PRO
SPARL
SPBRL
SPARL
CD
PHONO
SPARL
V-PRO
I-PRO
VOLSLT
SDO
SCK
GAINCTL
FMUTE
FSWSLT
FSWSDO
FSWSCK
-29V REGULATOR
MW; AC120V and
AC220-230V
MG; AC220-230V
MP; AC230-240V
MD; AC120V
NAAF-7050
NAAF-6790
S-VIDEO SELECTOR
VIDEO SELECTOR
NAETC-7056
FOR TX-DS494 FOR HT-R490
MONITOR
V2 IN
V1 IN
DVD
VCTLA
VCTLB
BA7625
BA7625
+5V
+5V
VCTLA
VCTLB
Mute
+6dB
+6dB
(TX-DS494 ONLY)
(TX-DS494 ONLY)
PHONO EQ
PHONO
CD
DIGITAL-1
DIGITAL-2
DIGITAL-3
LOCAL REGULATOR
NADG-7049
NAAR-7044
NAETC-7047
NAETC-7045
(TX-DS494 ONLY)
HEAD PHONE JACK
NAPS-7051
NASW-7052
NAETC-7054
NAPS-7055
REGULATOR
NAETC-7046
NADIS-7043
NAAF-7057
DIGITAL INPUT
NAETC-6795
NAAF-6789
NAETC-6791
NAETC-6792
MULTI CH INPUT
/TONE
AF INPUT/VOLUME
TU Mute
0dB
0dB
0dB
0dB
-3dB
-3dB
SURROUND MIX
MIC MIX
LFE MIX
0dB
+1dB/+11dB
+1dB/+11dB
+1dB
+1dB
+8.4dB
+8.4dB
+8.4dB
+27dB
+4.2dB
+4.2dB
+4.2dB
+6dB
0dB
0dB
0dB
+3.3V
+5V
MICON,FL
5.6V
VIDEO,TUNER
5V
DSP
5V
AUDIO
-12V
+12V
+10.5dB
+6dB
+6dB
+6dB
+6dB
+6dB
-12dB
-12dB
Q3171
INPUT SELECTOR
TC9273N-004
Q301
REC
REC
PLAY
PLAY
AK4526A
A/D
CONVERTER
2ch
MONITOR OUT
DVD
VIDEO-1
VIDEO-2
IN
RTADRH
AB/_INT
DIRCS
KARACS
DSPCS
CODECRST
SWMUTE
SDI
SDO
SCLK
FS96
ERROR
DIRPD
KARARST
DSPRST
BTADRL
KEY SW
FL TUBE
PROTECT
70kHz
70kHz
70kHz
70kHz
70kHz
700Hz
2Vrms
LFE
25kHz
CENTER MIX
MAIN BOARD
2Vrms
2Vrms
FL
2Vrms
FR
2Vrms
MIXED
MIXED
DIRECT
DIRECT
RDS signal
Control
TU-L/R
SURROUND
SPEAKER
TONE VR
FRONT CH
SURROUND CH
FRONT SPEAKER
SUB PT
PT
PT
DSP
ROTARY ENCODER
VOLUME
DISPLAY
SW
C
R
L
RS
LS
RT
LT
SW Mute
SW Mute nearby SUBWOOFER PREOUT terminal.
SUBWOOFER
PREOUT
CONVERTER
D/A
6CH
AM FREQ STEP
REMOCON SENSOR
RDS DECODER
for MP TYPE
RI
MICROPROCESSOR
OUT
FM/AM
TUNER
TUNER UNIT
DSP
DSP
COAXIAL
COAXIAL
OPTICAL
AK4110
RECIEVER
INTERFACE
DIGITAL
FlashROM
2Mbit
CS4926
DSP
ANALOG IN/OUT
2Vrms
RS
2Vrms
C
2Vrms
LS
TAPE
DVD
VIDEO1
VIDEO2
SP out 21Vrms Max (8ohm)
SP-B
SP-A
RL
SPEAKERS
CRS
LS
MULTI-CH
BYPASS
MULTI-CH
DSP
MULTI-CH
DSP
MULTI-CH
DSP
MULTI-CH
DSP
MULTI-CH
BYPASS
POWER
MWT only
POWER SW
AC IN
POWER RELAY
RI
AM FREQ STEP
MJ; AC100V
PROTECT
PROTECT
+29dB
+29dB
SPEAKERS
+29dB
+29dB
+29dB
TC9482N
-B
MAIN AMP
+B
POWER TRANS
FL AC
CENTER
SPEAKER
TX-DS494/HT-R490

Other manuals for Onkyo TX-DS494

Related product manuals