EasyManua.ls Logo

Onkyo TX-DS494

Onkyo TX-DS494
33 pages
To Next Page IconTo Next Page
To Next Page IconTo Next Page
To Previous Page IconTo Previous Page
To Previous Page IconTo Previous Page
Loading...
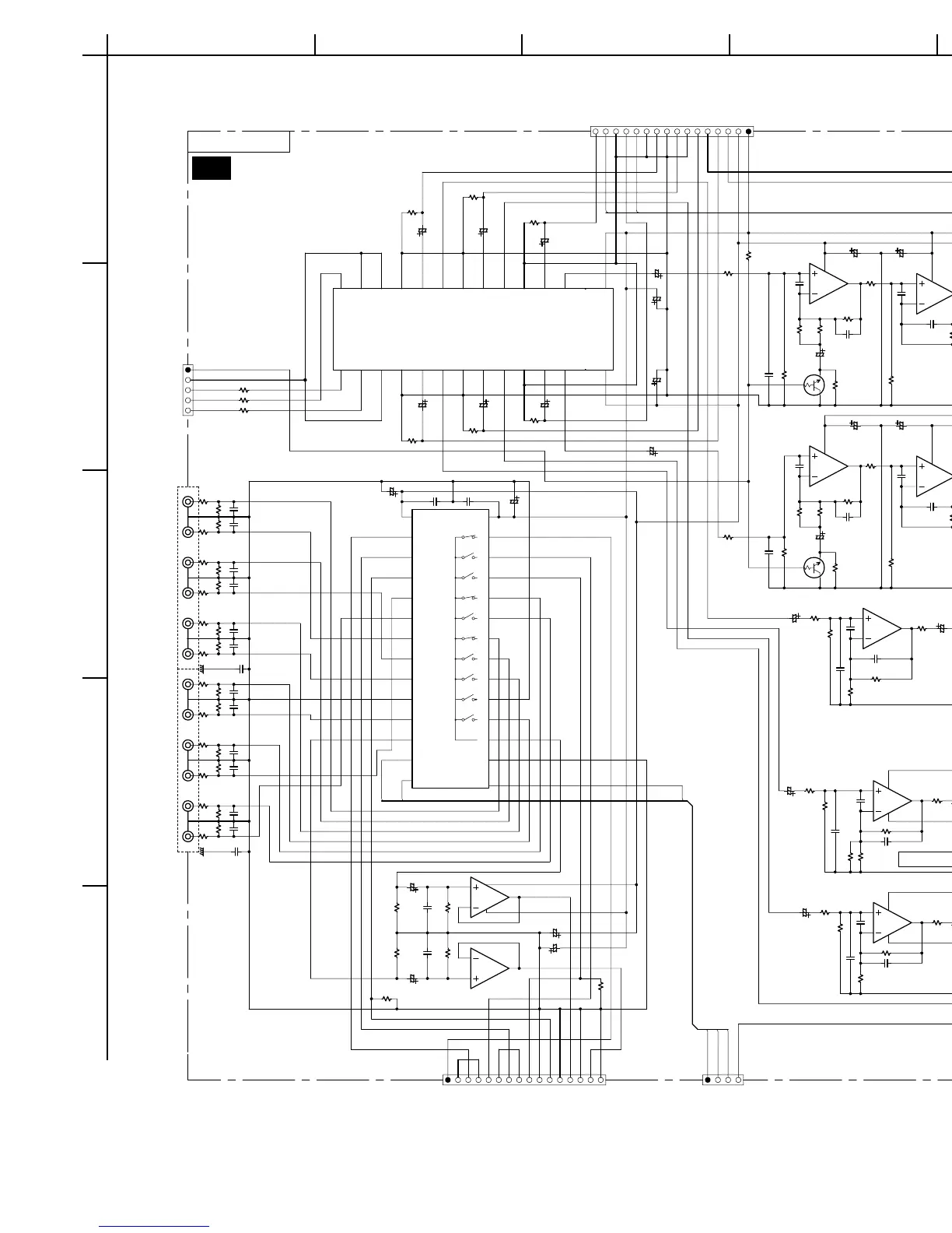
SCHEMATIC DIAGRAM-1
A
1
2
3
4
5
BCDEFG
C3289
153J
C3189 153J
C3687
473J
Q3171
TC9482N
C-I 10
C-O 9
CGND 11
CK 14
CS1 12CS217
DATA15
DGND 13
FL-I 4
FL-O
3
FLGND 5
FR-I25
FR-O26
FRGND24
LS-I 7
LS-O 6
LSGND 8
NC 2
RS-I22
RS-O23
RSGND21
SE-O20
STB16
SW-I19
SWGND18
TEST27
VDD28 VSS 1
P391A
Q301
TC9273N-004
19
2
3
4
5
6
7
8
9
10
11
12
CD27
CL 14DATA15
DVD20
GND13
OUTPUT17
PHONO26
STB16
TPLAY
21
TREC22
TUNER25
V-1
18
V-2PL23
V-2REC
24
VDD28 VSS 1
R3174 220
R3173 220
R3175 220
R326
1M
R325
1M
R313
330
R318
330
R317
330
R322
2.2K
R321
2.2K
R316
1M
R315
1M
R320
1M
R319
1M
R324
1M
R323
1M
R303
1M
R304
1M
R302
330
R301
330
R306
2.2K
R305
2.2K
R310
330
R309
330
R314
330
R308
1M
R307
1M
R312
1M
R311
1M
R3197
220K
R328
220K
R327
220K
R330
220K
R329
220K
P302
P301
P304
Q3281
NJM4565M-D
3
8
2
1
Q3181
NJM4565M-D
3
8
2
1
Q3181
NJM4565M-D
5
6
4
7
Q3281
NJM4565M-D
5
6
4
7
P305
P303
P306
P601
P391
C318
104Z
C317
104Z
C3682
101J
C3691
*
C3282
101J
C3284
101J
C3285
C3182
101J
C3184
101J
C3185
C3686
101J
C311
C312
C309
C310
C307
C308
C314
223Z
C313
223Z
C305
C306
C303
C304
C301
C302
C320
101J
C319
101J
C3482 101J
C3382
101J
C3582 101J
C3486
101J
C3386
101J
C3186
101J
C3286
101J
C3191
C3187
101J
C3287
101J
C3291
C392
153J
C391
153J
C3487
101J
C3387
101J
C3587
101J
C3586
101J
C3271
10/50
C316
47/16
C315
47/16
C3681
10/50
C3371
10/50
C3571
10/50
C3196
10/16
C3294
10/16
C3283
47/16
C3194
47/16
C3183
47/16
C3173
47/16
C3172
47/16
C3171
10/50
C3481
10/50
C3381
10/50
C3581
10/50
C3281
22/50
C3181
22/50
C321
10/16
C323
47/16
C322
10/16
C324
47/16
C3471
10/50
C3671
10/50
C3595
10/16
C3594
10/16
C3394
10/16
C3395
10/16
C3295
10/16
C3195
47/16
C3488
47/16
C3388
47/16
C3688
47/16
C3588
47/16
C3288
47/16
C3188
47/16
C3290
10/16
C3190
10/16
R3694
470
R3681
100
R3682
100K
R3571
220K
R3371
220K
R3282
100K
R3285
10K
R3286
27K
R3283 56K
R3284
3.3K
R3287
100
R3185
10K
R3182
100K
R3186
27K
R3183
56K
R3184
3.3K
R3187
100
R3171
220K
R3281
100
R3671
220K
R3471
220K
R3271
220K
R3181
100
R3582
100K
R3581
100
R3194
220K
R3193
220K
R3293
220K
R3592
56K
R3591
3.9K
R3587
6.8K
R3588
3.3K
R3289
R3189
R3190
3.3K
R3693
1K
R3688
1K
R3191
33K
R3291
33K
R3288
3.3K
R3290
3.3K
R3188
3.3K
R3292
56K
R3295
100K
R3296
1.2K
R3192
56K
R3195
100K
R3196
1.2K
R394
1K
R393
1K
R3488
3.3K
R3492
56K
R3491
3.9K
R3481
100
R3482
100K
R3487
6.8K
R3388
3.3K
R3392
56K
R3391
3.9K
R3381
100
R3382
100K
R3387
6.8K
R3692
56K
R3691
3.3K
R3687
10K
Q302
NJM4565M-D
3
8
2
4
1
Q3183
NJM4565M-D
3
8
2
4
1
Q3381
NJM4565M-D
3
8
2
4
1
Q3581
NJM4565M-D
5
8
6
4
7
Q302
NJM4565M-D
5
6
7
Q3381
NJM4565M-D
5
6
7
Q3183
NJM4565M-D
5
6
7
Q3581
NJM4565M-D
3
2
1
D3182
Q3185
KRA102M
Q3184
RN1241
Q3284
RN1241
Q3584
RN1241
Q3684
RN1241
Q3685
RN1241
Q3384
RN1241
Q3484
RN1241
Q3282
RN1241
Q3182
RN1241
100K 100K
R391
100K
R392
100K
TOLI
TOLO
TORI
TORO
TOCI
AMLSI
AMRSI
AMSW
+12V
-12V
TOLO
TORO
L2
LMIN
LMAX
GND
R2
RMIN
RMAX
GAINCTL
DGND
SDO
SCK
VOLSLT
FSWSCK
FSWSDO
FSWSLT
SW-PO
FMUT
LS
RS
C
CD-R
FSWSCK
FSWSLT
FSWSDO
FMUT
CD-L
PH-L
PH-R
TU-L
TU-R
LT
RT
P,G,W type:101J
C3691
P,G,W type:101J
to NAAR-7044 (PART-5)
to NAAR-7044 (PART-5)
to NAAR-7044 (PART-5)
to NAAR-7044 (PART-5)
NAAF-7050
NAETC-7047
TREBLEBASS
+12dB Amp.
NAAF-6790 (PART-6)
+8.7dB Amp.
VIDEO-2 PLAY
D.J type:NONE
C301-312
LEFT
LEFT
LEFT
TAPE REC
TAPE PLAY
DVD
RIGHT
RIGHT
LEFT
LEFT
LEFT
VIDEO-1
VIDEO-2 REC
RIGHT
RIGHT
RIGHT
RIGHT
D,J type:NONE
U11
TONE CONTROL
PC BOARD
U14
INPUT TERMINAL PC BOARD
TX-DS494/HT-R490

Other manuals for Onkyo TX-DS494

Related product manuals