EasyManua.ls Logo

Onkyo TX-DS787 - Connecting the Main and Remote Zones; Connecting to the Remote Zone Input

Onkyo TX-DS787
76 pages
Print Icon
To Next Page IconTo Next Page
To Next Page IconTo Next Page
To Previous Page IconTo Previous Page
To Previous Page IconTo Previous Page
Loading...
24
R
R
L
L
P
B
P
R
Y
P
B
P
R
Y
P
B
P
R
Y
COMPONENT
VIDEO
ANTENNA
VIDEO
1
V
IDEO
2
DVD
MON
ITOR
OUT
V
IDEO
3
R
L
INPUT 1
INPUT 2
OUTPUT
VIDEO
S VIDEO
VIDEO
S VIDEO
OUT
OUT
I
N
I
N
I
N
I
N
R
L
FRONT
SPEAKERS
SURR
SPEAKERS
SURR
BACK
SPEAKER
CE
N
SP
E
E
R
AV RECEIVER
MODEL NO.
TX-DS
787
AM
FM
75
CAUTION:
SPEAKER IMPEDANCE
6 OHMS MIN. PER EACH
SPEAKER TERMINAL
R
L
ZONE 2
SPEAKERS
ZONE 2
MAIN
ZONE 2
MAIN
IR IN
HOME THEATER CONTROLLER
RC-390M
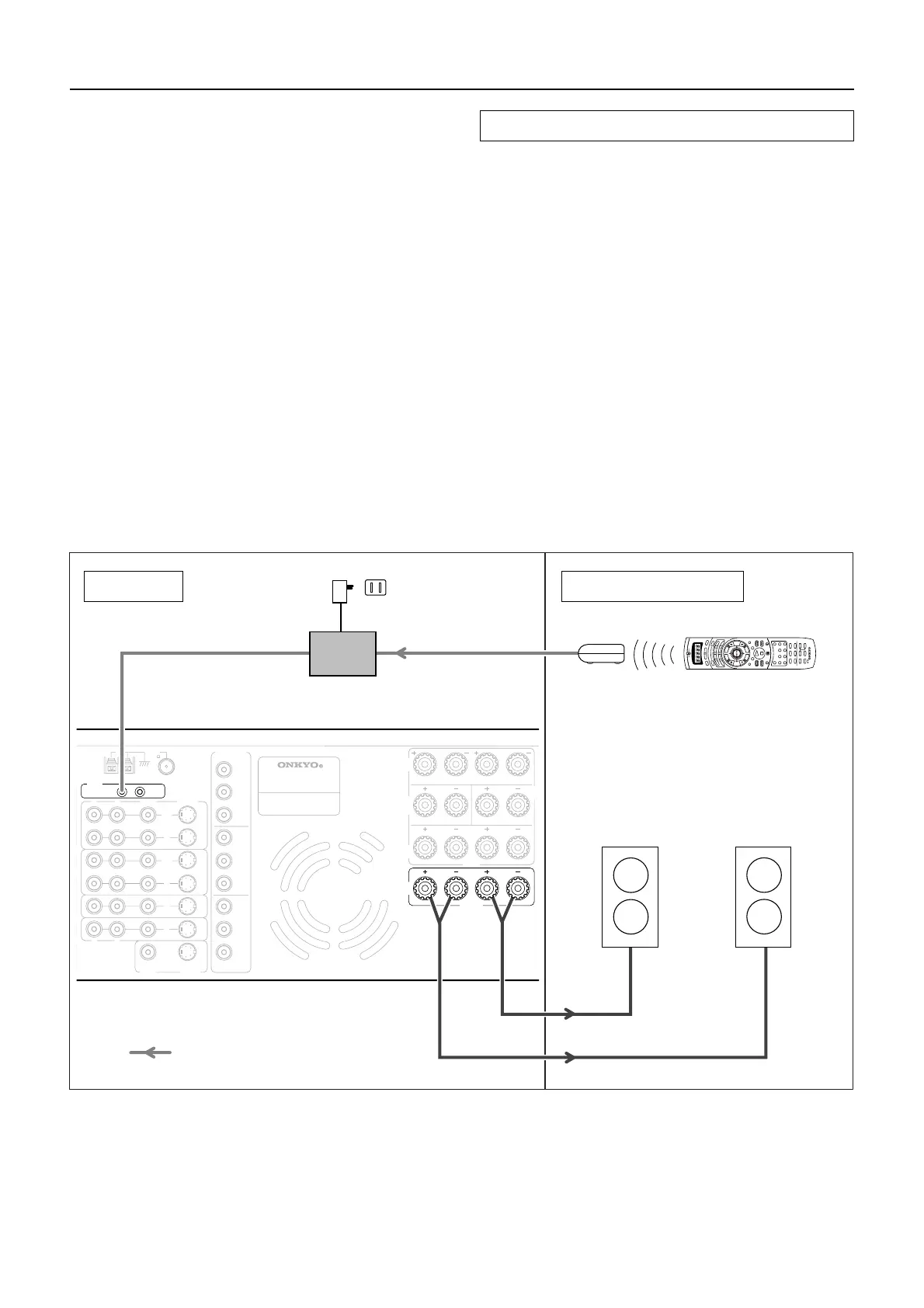
Connecting to the remote zone (Zone 2) input
Connecting the main and remote zones
1. Connect the speaker cables from the speakers
in the remote zone (Zone 2) to the Zone 2
speaker terminals on the TX-DS787.
2. Install the connecting block in the main zone
and connect it to the IR IN ZONE 2 input at the
TX-DS787.
3. Install the remote sensor in the remote zone
and connect it to the connecting block in the
main zone.
Main zone Remote zone (Zone 2)
Zone 2
left
speaker
Zone 2
right
speaker
Remote sensor Remote controller
Connecting block
TX-DS787
Connection example for Onkyos Multi-room System kit
Mini plug cable
Power supply Wall outlet
Signal flow
Outline
The TX-DS787 allows you to connect another set of speakers and
place them in a different room or separated area for listening to
music. This other room or area is referred to as the remote zone
(Zone 2), while the room where the TX-DS 787 is located is the
main zone. In addition, the IR IN ZONE 2 input allows you to
control the TX-DS787 from the remote zone (Zone 2) with the
remote controller even though the remote zone is physically
separated. The diagram below shows how to make the proper
connections for the remote zone.
To be able to use the remote controller in the remote zone
(Zone 2), you must connect one of the following (sold
separately):
Onkyos Multi-Room System kits (IR Remote Controller
Extension System), or
Multiroom A/V distribution and control systems from Niles
®
and Xantech
®
to name a few
Make connection as shown below. Do not plug the equipment into
the power source until the connection is complete.

Table of Contents

Related product manuals