EasyManua.ls Logo

Onkyo TX-DS787 - Equipment Connection Guide

Onkyo TX-DS787
76 pages
Print Icon
To Next Page IconTo Next Page
To Next Page IconTo Next Page
To Previous Page IconTo Previous Page
To Previous Page IconTo Previous Page
Loading...
16
REMOTE
CONTROL
PRE
OUT
R
L
(
SB
)
ANTENNA
GND
FRONT
SURR
SURR
BACK
SUB
WOOFER
MULTI CHANNEL
INPUT
FRONT
SURR
SURR
BACK
SUB
WOOFER
CENTER
(
SB
)
CENTER
R
L
AM
FM
75
ZONE 2
MAIN
IR IN
DIGITAL
OUTPUT
(
OPTICAL
)
DIGITAL
INPUT
(
OPTICAL
)
DIGITAL
INPUT
(
COAXAL
)
1
2
1
2
OUT
TAPE
CD
PH
R
L
IN
VIDEO
1
V
IDEO
2
DVD
MON
ITOR
OUT
V
IDEO
3
R
L
VIDEO
S VIDEO
VIDEO
S VIDEO
OUT
OUT
I
N
I
N
I
N
I
N
R
L
P
B
P
R
Y
P
B
P
R
Y
P
B
P
R
Y
COMPONENT
VIDEO
INPUT 1
INPUT 2
OUTPUT
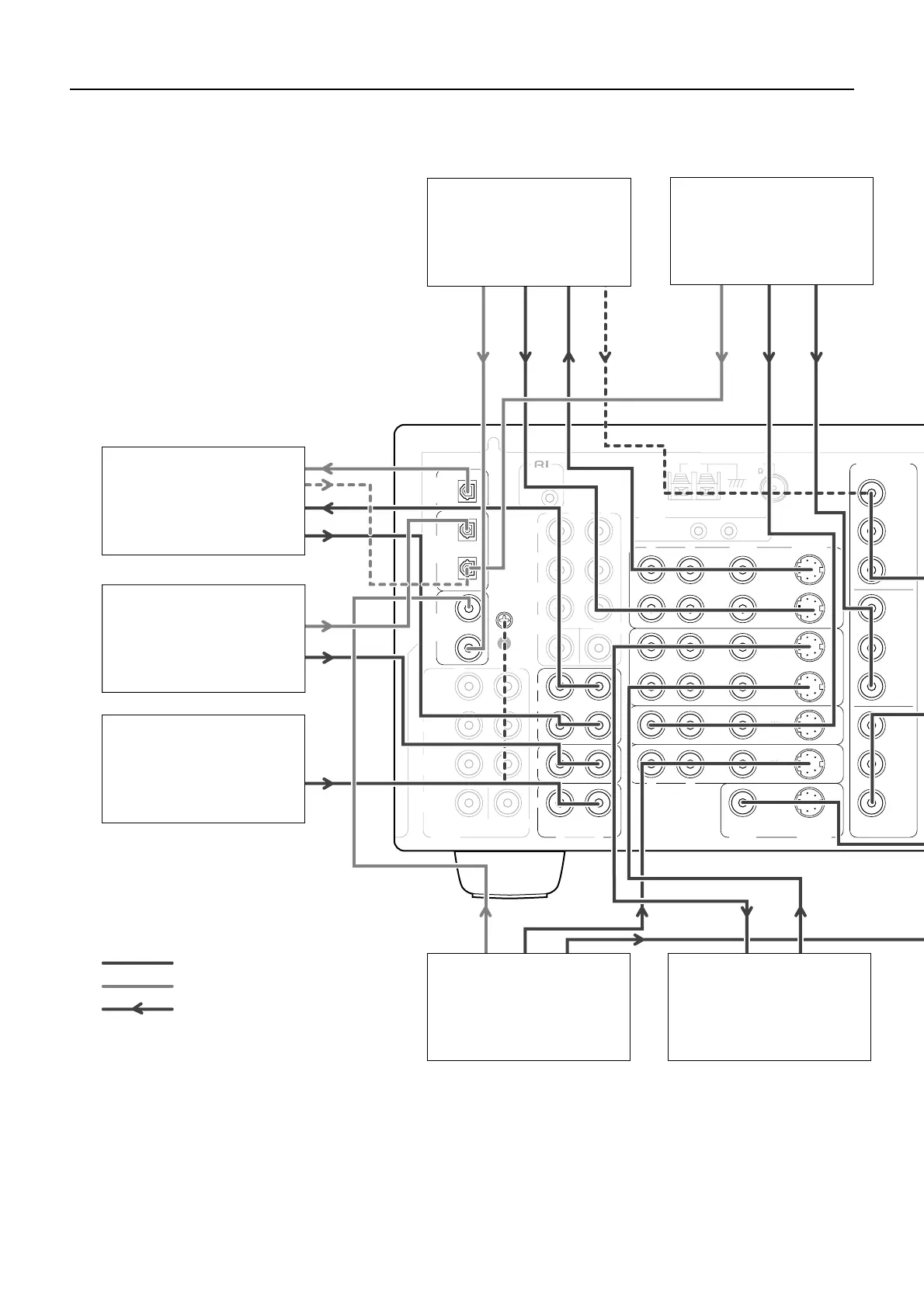
Satellite tuner or TV
(VIDEO 3)
6. Refer to page 19
Example of how to connect your equipment
VCR
(VIDEO 2)
5. Refer to page 18
Tape deck, MD recorder,
DAT deck, CD recorder,
(TAPE)
3. Refer to page 18
CD player
(CD)
2. Refer to page 18
Turntable
(PHONO)
1. Refer to page 18
DVD player
(DVD)
4. Refer to page 18
Analog signal
Digital signal
Signal flow
DVD recorder
or other digital video
recording device
(VIDEO 1)
7. Refer to page 19

Table of Contents

Related product manuals