EasyManua.ls Logo

Onkyo TX-DS787 - External Amplifier Connections; Connecting Power Amplifiers; Connecting Surround Back Speakers

Onkyo TX-DS787
76 pages
Print Icon
To Next Page IconTo Next Page
To Next Page IconTo Next Page
To Previous Page IconTo Previous Page
To Previous Page IconTo Previous Page
Loading...
26
REMOTE
CONTROL
ANTENNA
VIDEO
1
V
IDEO
2
R
L
GND
DIGITAL
OUTPUT
(
OPTICAL
)
DIGITAL
INPUT
(
OPTICAL
)
DIGITAL
INPUT
(
COAXAL
)
1
2
1
2
VIDE
R
L
AM
7
ZONE 2
M
IR IN
PRE
OUT
R
L
(
SB
)
FRONT
SURR
SURR
BACK
SUB
WOOFER
CENTER
87654321
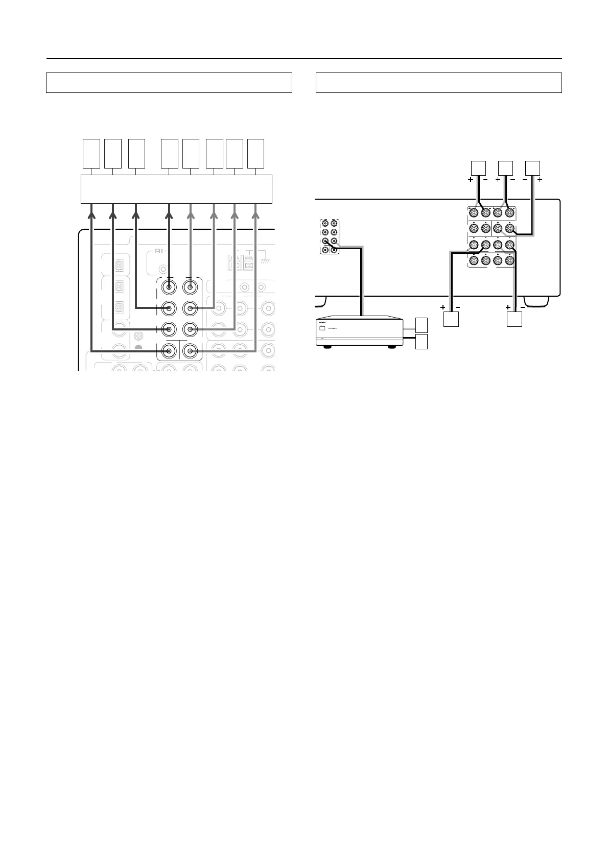
Power amplifier
Connecting power amplifiers and two surround back speakers
Connecting power amplifiers
Using auxiliary power amplifiers allows you to listen at louder
volumes than with the TX-DS787 alone. If power amplifiers are
used, connect each speaker to the corresponding power amplifier.
Connecting two surround back speakers
To connect two surround back speakers, connect a power amplifier
to the PRE OUT SURR BACK terminals on the TX-DS787, and
connect the surround back speakers to that power amplifier. You
will also need to make the appropriate setting in the OSD Menu:
Speaker Setup Speaker Config Surr Back Out (see page 30).
AUTO
POWER
ON
&
AUDIO
INPUT
/
OUTPUT
LOOP
2
CHANNEL AMPLIFIER
M
-
282
OFF
ON
POWER
STANDBY/ON
PRE
OUT
R
L
R
L
(
SB
)
FRONT
SURR
SURR
BACK
SUB
WOOFER
CENTER
R
R
L
L
FRONT
SPEAKERS
SURR
SPEAKERS
SURR
BACK
SPEAKER
CENTER
SPEAKER
MAIN
R
L
ZONE 2
SPEAKERS
ZONE 2
1
56
7
8
2
3
4
1 Power amplifier
2 Surround back left speaker
3 Surround back right speaker
4 Front right speaker
5 Front left speaker
6 Center speaker
7 Surround right speaker
8 Surround left speaker
1 Subwoofer
2 Surround back right speaker
3 Surround right speaker
4 Front right speaker
5 Front left speaker
6 Surround left speaker
7 Surround back left speaker
8 Center speaker

Table of Contents

Related product manuals