EasyManua.ls Logo

Onkyo TX-SR403 - Safety and Initial Setup; Important Safety Instructions

Onkyo TX-SR403
149 pages
Print Icon
To Next Page IconTo Next Page
To Next Page IconTo Next Page
To Previous Page IconTo Previous Page
To Previous Page IconTo Previous Page
Loading...
TX-SR403/8340TX-SR403/8340
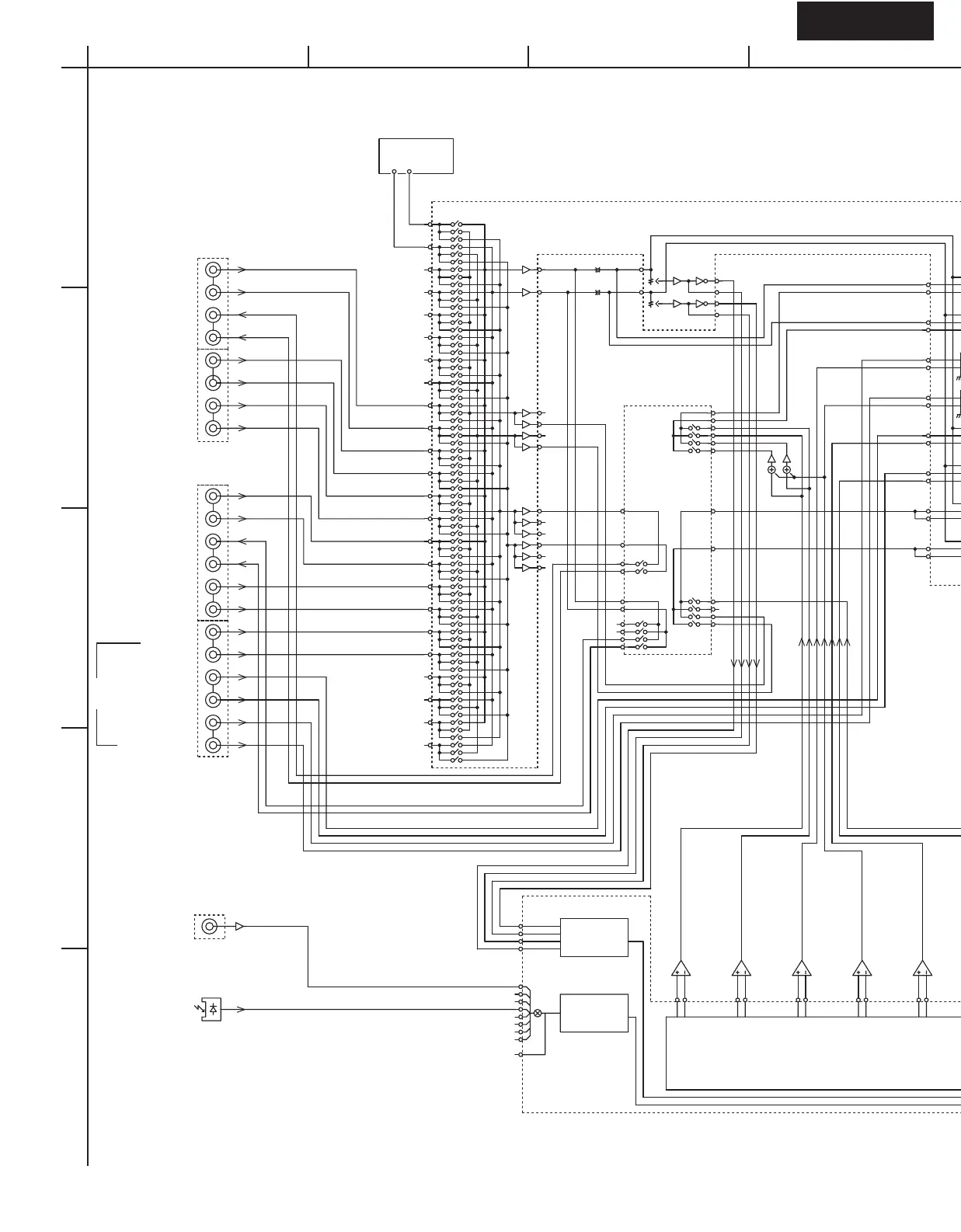
BLOCK DIAGRAM
FL_PO
FR_PO
CT_PO
SBL_PO
TAPE_OUT_R
TAPE_OUT_L
V2_OUT_L
V2_OUT_R
Z2_R
Z2_L
MIX_R
MIX_L
SOURCE_L
SOURCE_R
RECOUT_L
RECOUT_R
MCH_SR
MCH_SL
MCH_SW
MCH_CT
ADLT+
ADRT+
ADLT-
ADRT-
ADRT-
ADRT+
ADLT+
ADLT-
DAC_FL
DAC_CT
DAC_SW
DAC_FR
DAC_SR
DAC_SBL
DAC_SL
VOLIN_SBR
VOLIN_SBL
RX2
Z2RL
SBRL
SPRLCS
SW_PO
AMUT
SL_PO
SR_PO
RX0
HPIN
SPRLF
TUNER UNIT
NJW1157
CD
TAPE OUT
TAPE IN
VIDEO3 IN
VIDEO2 IN
VIDEO1 OUT
VIDEO1 IN
DVD
(MULTI INPUT)
COAXIAL
DIGITAL IN
OPTICAL
RI
RI
INTERFACE
PREOUT
SUBWOOFER
FRONT-A
R
CENTER
SURROUND
PHONES
FRONT-B
SURROUND
BACK
SPEAKERS
TONE
TONE
-6dB
-6dB
+9.7dB
+20.2dB
DIR
2ch ADC
CS42518
8ch DAC
LPF
DSP
CS494003
FLASH ROM
MX29LV040
LPF
LPF
LPF
LPF
LPF
LPF
4M Bit
NJU7311
POWER
AMPLIFIER
+29dB
+29dB
+29dB
+29dB
+29dB
+29dB
52
53
54
55
56
57
58
59
60
61
62
63
64
65
66
67
68
69
70
71
73
73
51
74
41
43
23
25
22
24
26
21
27
29
28
30
44
42
46
45
48
47
93
92
91
95
90
89
88
86
85
84
83
87
82
81
80
7
6
5
4
3
2
1
94
8
9
8
12
17
10
19
20
21
11
18
4
25
3
26
2
27
22
7
23
6
5
24
16
15
14
13
49
48
43
42
47
46
45
44
50
37
36
107
118
106
81
80
86
134
109
110
58
54
63
62
64
1
35
34
32
33
31
30
28
29
26
27
21
20
22
23
+
+
A
A
To Microprocessor
INVERT
VOLUME
L
R
L
L
R
FRONT
CENTER
SURROUND
SUBWOOFER
L
R
L
R
A
1
2
3
4
5
BCDEFGH

Other manuals for Onkyo TX-SR403

Related product manuals