EasyManua.ls Logo

Onkyo TX-SR603E

Onkyo TX-SR603E
144 pages
To Next Page IconTo Next Page
To Next Page IconTo Next Page
To Previous Page IconTo Previous Page
To Previous Page IconTo Previous Page
Loading...
TX-SR603TX-SR603X
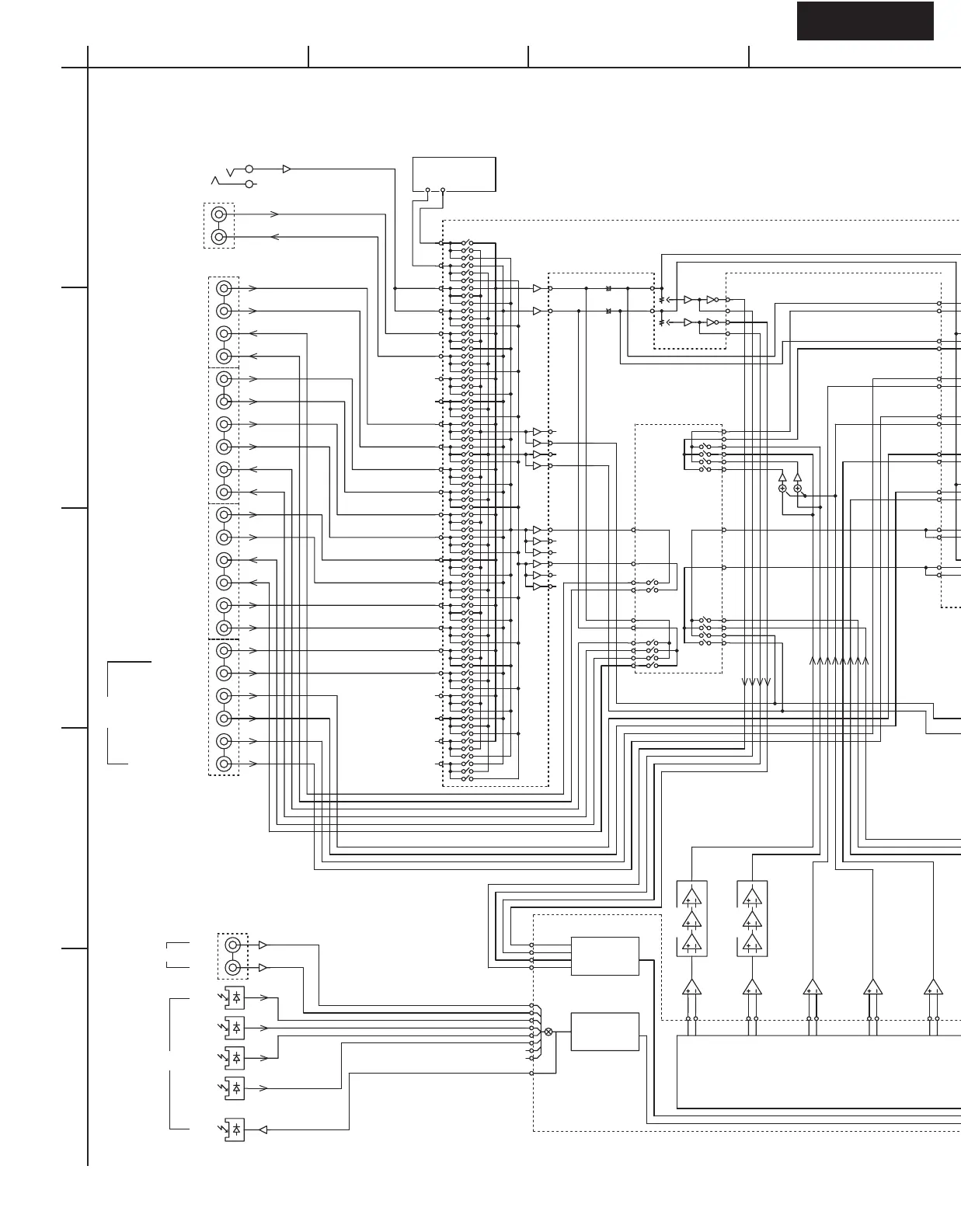
BLOCK DIAGRAM
FL_PO
FR_PO
CT_PO
SBL_PO
SBR_PO
TAPE_OUT_R
TAPE_OUT_L
V2_OUT_L
V2_OUT_R
V1_OUT_L
V1_OUT_R
Z2_R
Z2_L
MIX_R
MIX_L
SOURCE_L
SOURCE_R
RECOUT_L
RECOUT_R
MCH_SR
MCH_SL
MCH_SW
MCH_CT
ADLT+
ADRT+
ADLT-
ADRT-
ADRT-
ADRT+
ADLT+
ADLT-
RX3
RX6
DAC_FL
DAC_CT
DAC_SW
DAC_FR
DAC_SR
DAC_SBR
DAC_SBL
DAC_SL
VOLIN_SBR
VOLIN_SBL
Z2R_PO
Z2L_PO
RX2
Z2LMUT
Z2RL
SBRL
SPRLCS
SW_PO
AMUT
SL_PO
SR_PO
TX
RX4
RX1
RX0
SBMUT
HPIN
SPRLF
TUNER UNIT
NJW1157
CD
TAPE OUT
TAPE IN
VIDEO3 IN
VIDEO2 OUT
VIDEO2 IN
VIDEO1 OUT
VIDEO1 IN
DVD
(MULTI INPUT)
COAXIAL
IN 1
IN 2
IN 3
OUT
12V TRIGGER OUT
ZONE 2
IR IN
RI
IR
DE-MODULATOR
RI
INTERFACE
PREOUT
SUBWOOFER
FRONT
R
CENTER
SURROUND
PHONES
ZONE2
SURROUND
BACK
L
SPEAKERS
R
L
TONE
TONE
-6dB
-6dB
+9.7dB
+20.2dB
DIR
2ch ADC
CS42518
8ch DAC
+6dB
VLSCLPF
MIC AMP
DSP
SD_RAM
IC42S16100
2M Byte
CS494003
FLASH ROM
MX29LV040
+6dB
LPF
LPF
LPF
LPF
LPF
LPF
VLSCLPF
12V TRIGGER
CONTROL
R
4M Bit
ZONE2 LINEOUT
NJU7311
POWER
AMPLIFIER
+29dB
+29dB
+29dB
+29dB
+29dB
+29dB
+29dB
SETUP MIC
VIDEO4
INPUT
IN 4
52
53
54
55
56
57
58
59
60
61
62
63
64
65
66
67
68
69
70
71
73
73
51
74
41
43
23
25
22
24
26
21
27
29
28
30
44
42
46
45
48
47
93
92
91
95
90
89
88
86
85
84
83
87
82
81
80
7
6
5
4
3
2
1
94
8
9
8
12
17
10
19
20
21
11
18
4
25
3
26
2
27
22
7
23
6
5
24
16
15
14
13
49
48
43
42
47
46
45
44
50
37
36
107
118
106
81
80
86
134
109
110
58
54
63
62
64
1
35
34
32
33
31
30
28
29
26
27
21
20
22
23
+
+
A
A
To Microprocessor
INVERT
VOLUME
L
R
L
L
R
FRONT
CENTER
SURROUND
SUBWOOFER
L
R
L
R
DIGITAL
IN1
IN2
OPTICAL
A
1
2
3
4
5
BCDEFGH

Related product manuals