EasyManua.ls Logo

OnRobot Gecko Gripper - Page 164

OnRobot Gecko Gripper
198 pages
Print Icon
To Next Page IconTo Next Page
To Next Page IconTo Next Page
To Previous Page IconTo Previous Page
To Previous Page IconTo Previous Page
Loading...
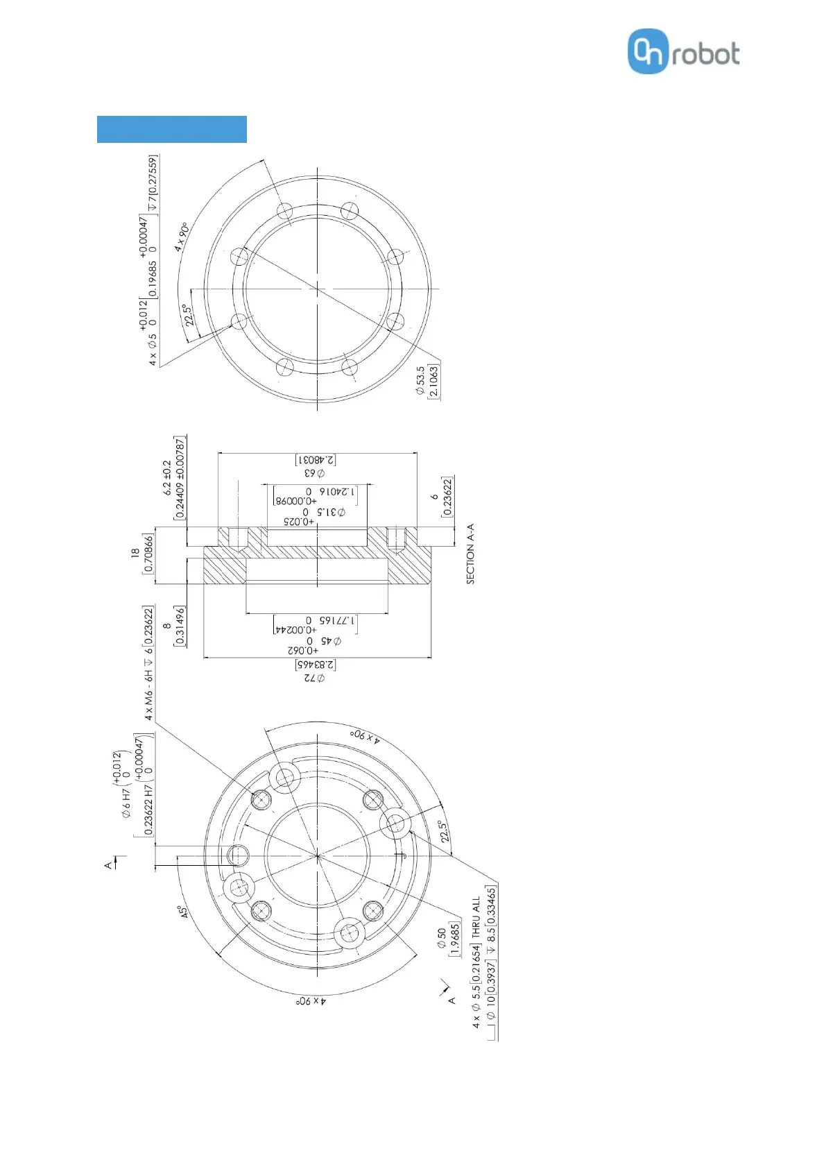
Hardware Specification
164
Adapter J

Related product manuals