EasyManua.ls Logo

Orban OPTIMOD 6200 - Page 190

Orban OPTIMOD 6200
195 pages
Print Icon
To Next Page IconTo Next Page
To Next Page IconTo Next Page
To Previous Page IconTo Previous Page
To Previous Page IconTo Previous Page
Loading...
6-48
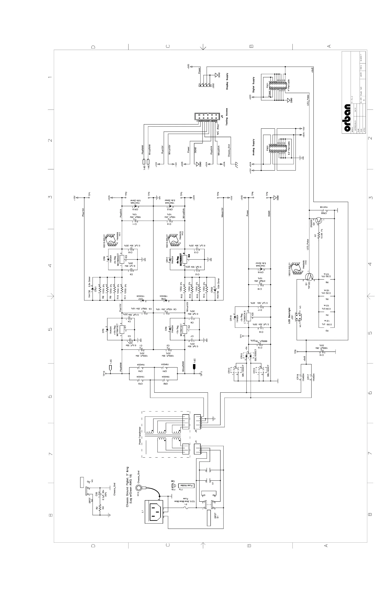
TECHNICAL DATA Orban Model 6200
SCHEMATIC
POWER SUPPLY 6200
1/98
1/98
1/98
62045 000 03 1 of 1
6200
SB
SB
SB

Table of Contents

Related product manuals