EasyManua.ls Logo

Oriental motor BLHD100K - Page 28

Oriental motor BLHD100K
52 pages
To Next Page IconTo Next Page
To Next Page IconTo Next Page
To Previous Page IconTo Previous Page
To Previous Page IconTo Previous Page
Loading...
5 Installation
28
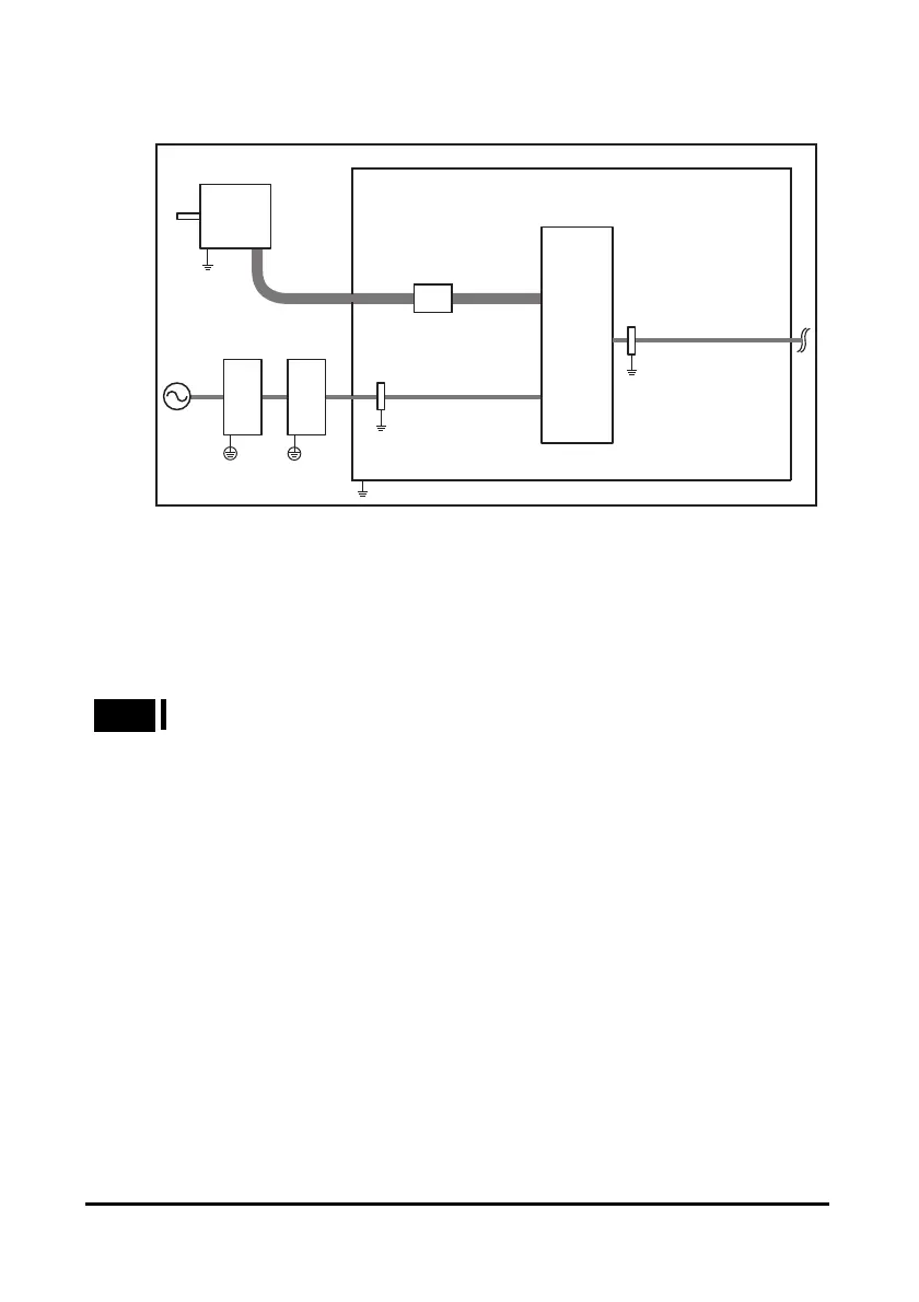
Example of motor and driver installation and wiring
Motor
Driver
Cable
clamp
Signal cable
[Shielded cable
: 2 m (6.6 ft.)]
Mains
filter
DC power
supply
Cable
clamp
(Grounded panel)
Power supply cable
(Shielded cable)
Motor
cable
Ferrite core
Use the ferrite core for extending the motor cable.
Precautions about static electricity
Static electricity may cause the driver to malfunction or suffer damage. Be careful
when handling the driver with the power supply on.
Always use an insulated screwdriver when adjusting the internal speed
potentiometer or acceleration/deceleration time potentiometer.
Note
Do not come close to or touch the driver while the power supply is on.

Related product manuals