EasyManua.ls Logo

OSCO MSG-A - POST AND PAD MOUNTING INSTRUCTIONS; Post Mounting Instructions; Pad Mounting Instructions

Default Icon
36 pages
Print Icon
To Next Page IconTo Next Page
To Next Page IconTo Next Page
To Previous Page IconTo Previous Page
To Previous Page IconTo Previous Page
Loading...
MSG-A • MSG-D OPERATOR INSTALLATION GUIDE
- 5 -
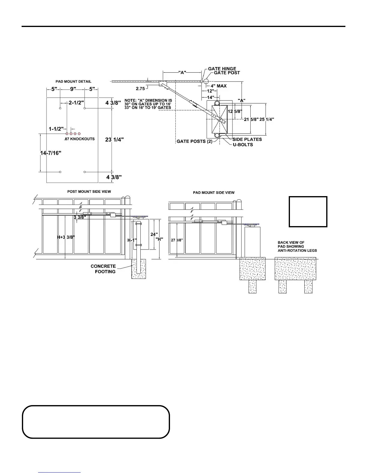
POST AND PAD MOUNTING INSTRUCTIONS FOR MODELS
MSG-A AND MSG-D
Post Mounting Instructions
Use two 3 - 3 1/2” diameter galvanized posts and secure
with concrete footings as shown, length to be determined
by local codes, frost line depth, and soil conditions.
Attach the operator with the U-bolts, side plates and hard-
ware provided. There are eight side plates; four go on the
outside of the operator, and the remaining four go on in
the inside. The operator should be positioned at a level to
allow the arm to be installed at mid-height on the gate.
“H” dimension can vary depending on gate construction.
Make sure the posts do not protrude above the operator
cabinet.
Assemble the arm components as shown on page 7.
Pad Mounting Instructions
Recommended pad size is 32”x19”x18” deep minimum.
Pad depth should be set according to local codes and
at least as deep as frost line. If soil conditions may cause
operator and pad to shift during operation, anti-rotation
legs may be required. Use two 6” diameter, 10” deep
legs to counteract this problem as shown. 5/8” J-bolts
may be set into the concrete before it sets following the
dimensions shown, or drilled after the concrete sets.
Attach pad mounting brackets to the operator with 3/8”
hardware provided. Use 5/8” hardware to mount the
operator to the pad.
Dimensional data for conduit knockouts is also shown
in the pad mount illustration. Use of flexible conduit will
make it easier to line up with these knockouts.
Assemble the arm components as shown on page 7.
A SEPARATE PEDESTRIAN GATE IS REQUIRED FOR
ALL PEDESTRIAN TRAFFIC. THIS GATE MUST BE
A MINIMUM DISTANCE OF 7 FEET FROM THE
VEHICULAR GATE AND GATE OPERATOR
NOTE: Maximum gate opening
angle is approximately 95
degrees, depending on gate
width. If larger opening angle is
required, non-standard
positioning of the operator and
modified articulating arms will
be required. Contact the factory
for pricing and availability.
23” SPACE REQUIRED BEHIND OPERATOR FOR
ARM CLEARANCE WHILE OPENING.
IF NONSTANDARD MOUNTING IS NECESSARY,
CONSULT THE FACTORY.
8-01-7
DOOR MUST
FACE AWAY
FROM
DRIVEWAY

Table of Contents

Related product manuals