EasyManua.ls Logo

OTC MTX-3531 - Mounting on Almega AX-V4 AP;V4 LAP; Manipulator

Default Icon
20 pages
Print Icon
To Next Page IconTo Next Page
To Next Page IconTo Next Page
To Previous Page IconTo Previous Page
To Previous Page IconTo Previous Page
Loading...

9
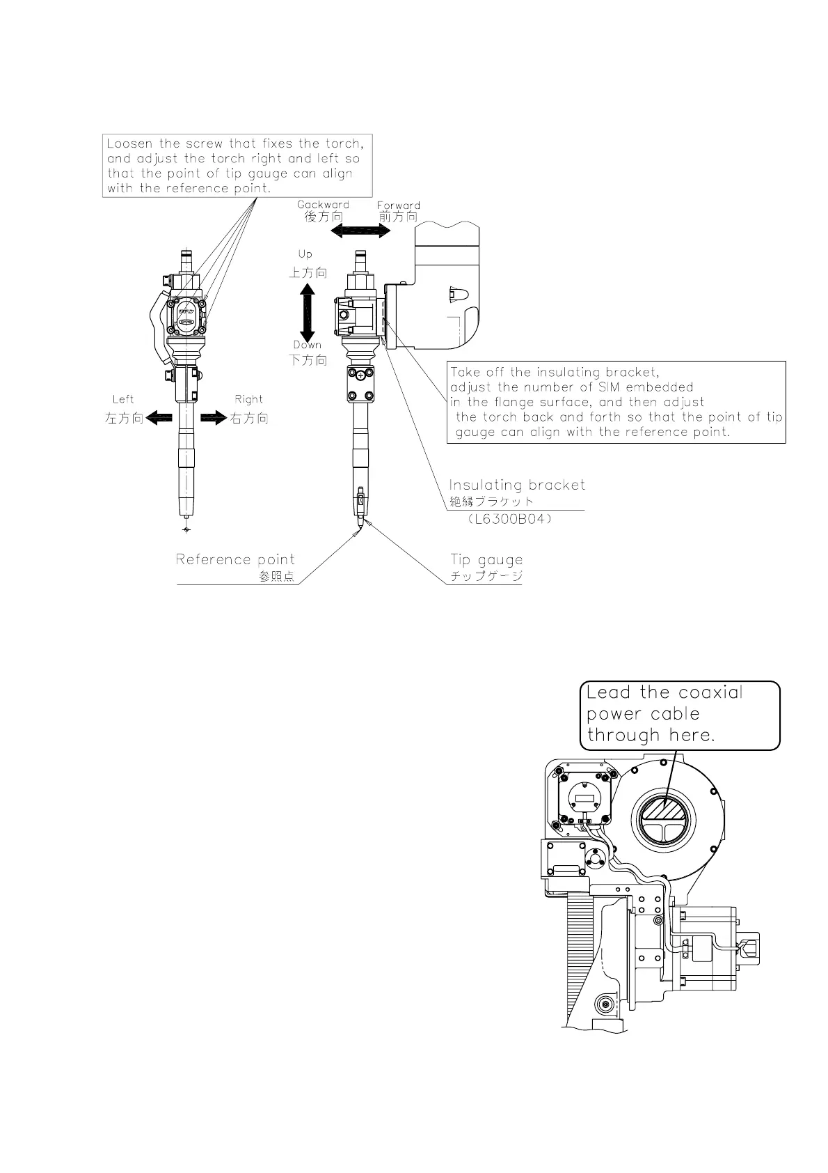
3.2.3 Adjusting procedure of the torch
Fig. 3.6 Adjusting procedure of the torch
3.3 Mounting on Almega AX-V4AP/V4L4P
3.3.1 Mounting the curved torch (mounting bracket)
(1) Fix the bracket (L10100B01) with 4 pieces of hexagon
socket head cap screws (M5*10) onto the output flange of
manipulator.
(2) Insert the insulating sleeve (L10100B04) into the bracket
(L10100B01) fixed in the procedure (1), and fix the
insulating board (2) shown in the Fig.3.8 with 4 pieces of
resin bolts (M3*6). In the same way, fix the insulating board
(1) (L10100B02) with 4 pieces of resin bolts (M3*6) to the
bracket.
(3) Fix the insulating bracket (L6300B04) to the bracket
(L10100B01) with 6 pieces of hexagon socket head cap
screws (M5*10), and the spatter cover (L10100B05) to the
bracket with 2 pieces of hexagon socket head cap screws
(M5*12).
(4) Mount the torch to the insulating bracket with 4 pieces of
hexagon socket head cap screws (M5*40) that come with
the torch.
(5) Lead the coaxial power cable into the location shown in
Fig.3.7, and connect it to the wire feeding unit.
Fig. 3.7 Location of leading the coaxial
power cable

Related product manuals