EasyManua.ls Logo

Oval ALTI mass CA080 - 5.1 Type U; 5.1.1 CA00 A, CA001 and CA003 (separately mounted models)

Default Icon
162 pages
Print Icon
To Next Page IconTo Next Page
To Next Page IconTo Next Page
To Previous Page IconTo Previous Page
To Previous Page IconTo Previous Page
Loading...
L
--
740
--
28
--
E
1
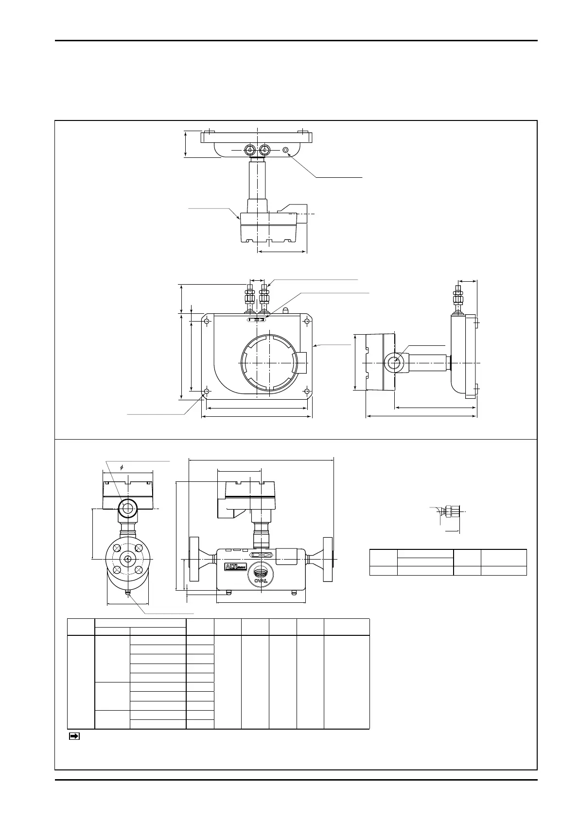
5. PART NAMES AND OUTLINE DIMENSIONS
5.1 Type U
5.1.1 CA00A, CA001 and CA003 (separately mounted models)
Fig. 5.2 Outline Dimensions of Sensor Unit (CA003)
Dimensions in millimeters
Model
Flange
L H h1 A W
App. Weight
kg (JIS 10K)
Nom. size Flange rating
CA00
10
JIS 10K 
0
 .1 1 .0
JIS 0K

JIS 0K

JIS 0K

JIS K 1
1/″
ASME, JPI 10
01
ASME, JPI 00
10
ASME, JPI 00

DN1
PN 10, 1

PN , 0
1
Model
Screw conn.
L
App. Weight
kg (JIS 10K)
Flange rating
CA00
Rc/
 .
Fig. 5.1 Outline Dimensions of Sensor Unit (CA00A and CA001)
Approx. weight: 9 kg
Cableentry
G3/4(G1/2TIIS
Groundscrew
L
A
W
98
H
109
h1
10
107
L
A
W
98
H
109
h1
10
107
L
φD
Cableentry
G3/4
Groundscrew
Screw-in type
※: This table is applied to material
code S and M. In case of code H,
please consult our representative.
※: Flange size for model CA00 is
1/" in case of ASME or JPI.
※: As long as flange O.D. and bolt
holes remain the same while flange
r a t i n g m a y d i ff e r, t he f l a n g e
thickness with the higher rating is
chosen in the above.
※: DIN flanges are available only to
meters of the material code, "S"
and "M".
NOTE: A
pproximate weights in the table above are of JIS 10K.
 
For specifications of other flange ratings, see the approval drawing (or customer
,
s acceptance specification).

Table of Contents

Related product manuals