EasyManua.ls Logo

Pace PRC 2000 - System Wiring and Schematics; Display PCB Schematic Diagram

Pace PRC 2000
82 pages
Print Icon
To Next Page IconTo Next Page
To Next Page IconTo Next Page
To Previous Page IconTo Previous Page
To Previous Page IconTo Previous Page
Loading...
52
REPAIR
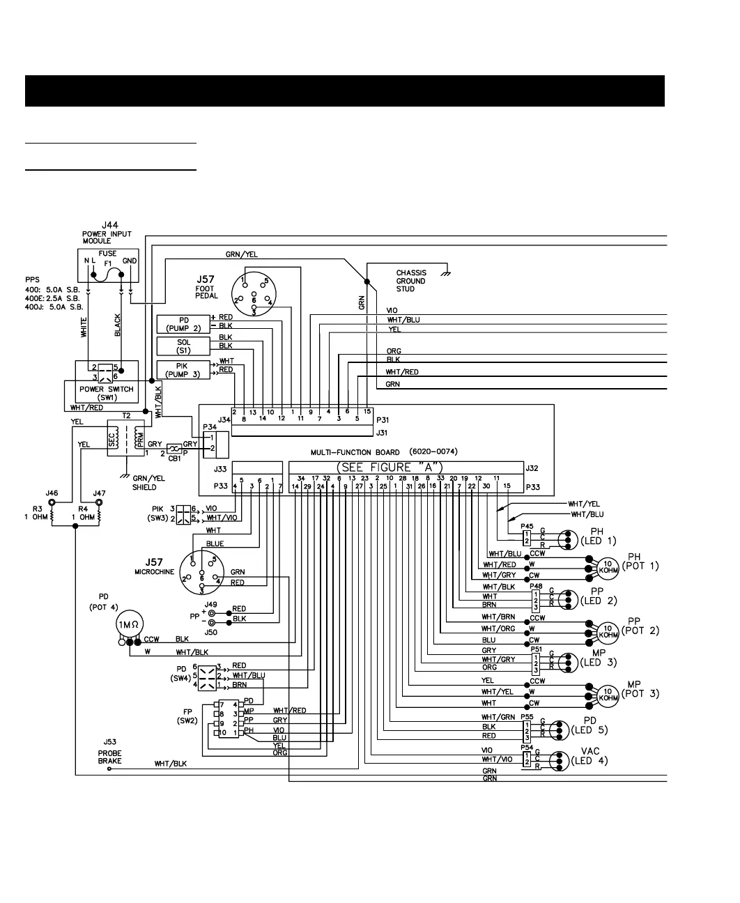
Figure 22. PPS 400, PPS 400J, PPS 400E Wiring Diagram
WIRING DIAGRAM

Related product manuals