EasyManua.ls Logo

Pace PRC 2000 - Parts and Accessories; Power Source Accessory List

Pace PRC 2000
82 pages
Print Icon
To Next Page IconTo Next Page
To Next Page IconTo Next Page
To Previous Page IconTo Previous Page
To Previous Page IconTo Previous Page
Loading...
60
REPAIR
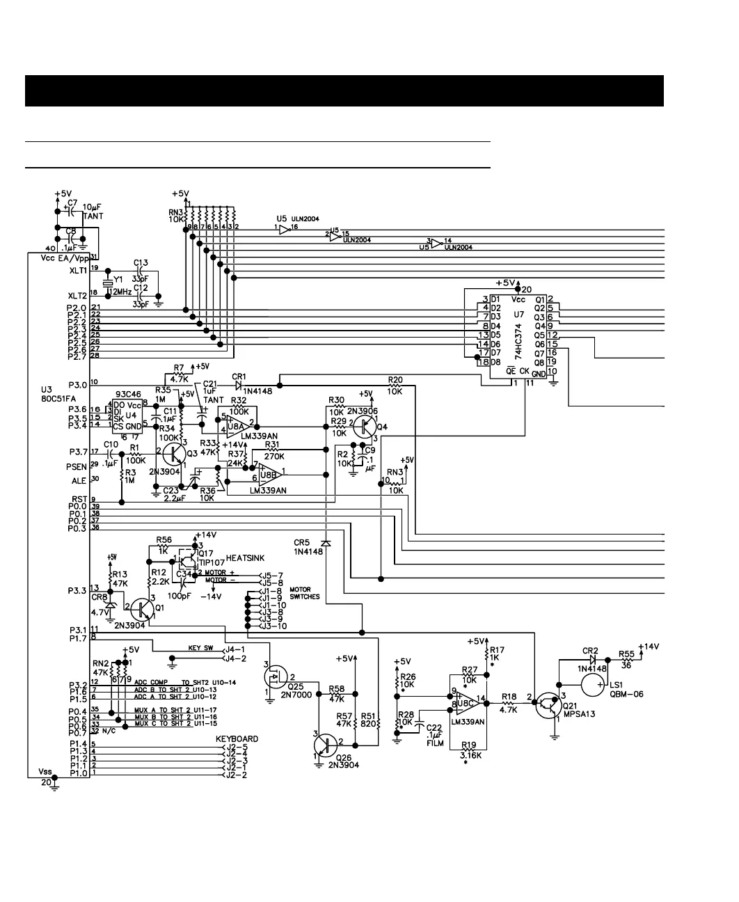
MICROPROCESSOR PCB ASSEMBLY SCHEMATIC
Figure 24. Microprocessor PCB Assembly Schematic
Sheet 1 of 2

Related product manuals